EasyManua.ls Logo

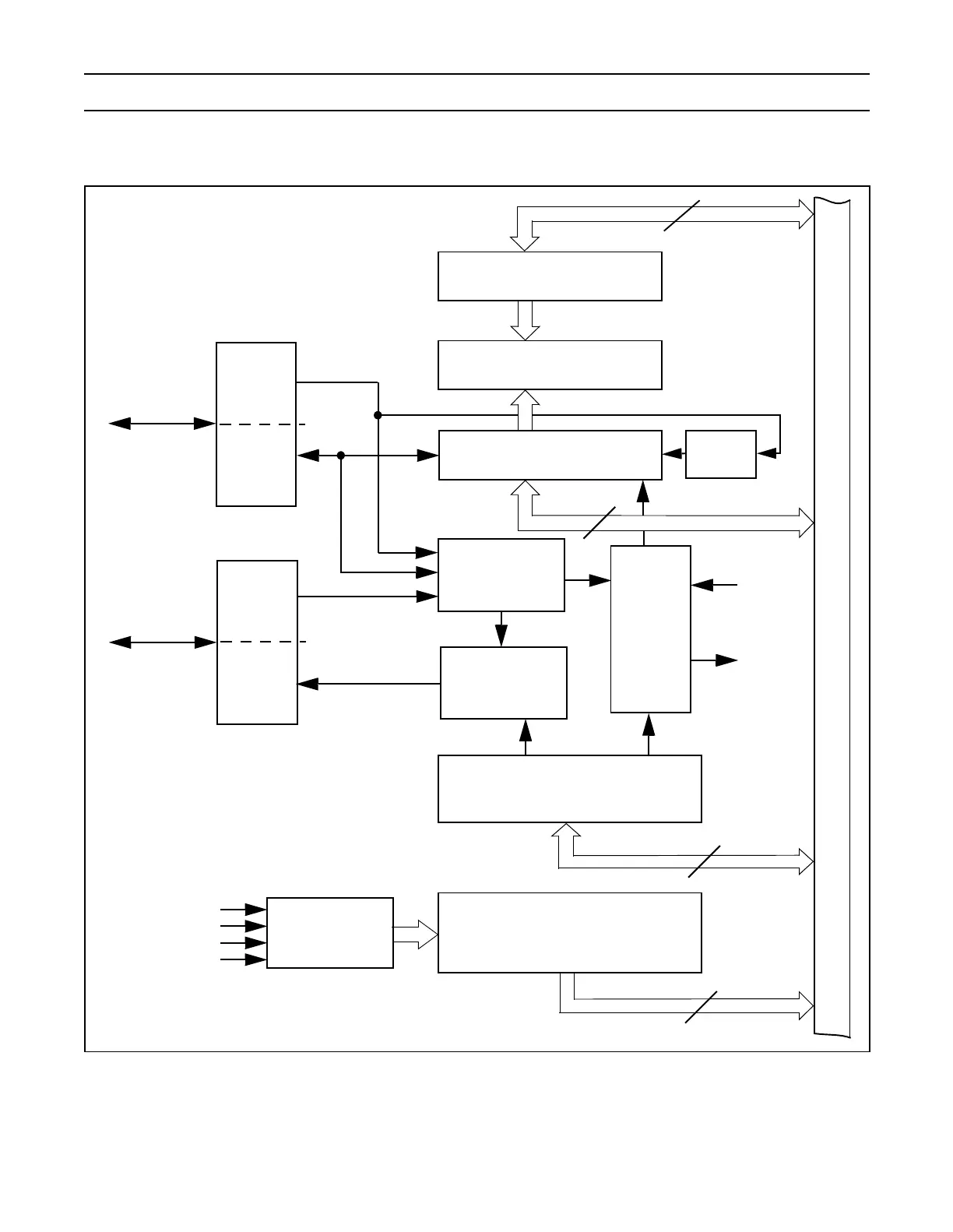
Philips LPC2194 - Architecture; Figure 32: I2 C Architecture

Philips LPC2194
306 pages
Print Icon
To Next Page IconTo Next Page
To Next Page IconTo Next Page
To Previous Page IconTo Previous Page
To Previous Page IconTo Previous Page
Loading...
I2C Interface 177 May 03, 2004
Philips Semiconductors Preliminary User Manual
LPC2119/2129/2194/2292/2294ARM-based Microcontroller
ARCHITECTURE
Figure 32: I
2
C Architecture
Address Register
Comparator
Shift Register
ACK
Bit Counter /
Arbitration &
Sync Logic
Serial Clock
Generator
Timing &
Control
Logic
Control Register & SCL Duty
Cycle Registers
Status
Decoder
Status Register
Input
Filter
Output
Stage
VPB BUS
SDA
I2CONSET
I2CONCLR
I2SCLH
I2SCLL
Status Bus
I2STAT
8
16
8
8
pclk
Interrupt
I2DAT
I2ADR
SCL
Input
Filter
Output
Stage

Table of Contents

Related product manuals