EasyManua.ls Logo

Philips Q552.2E - Page 62

Philips Q552.2E
204 pages
Print Icon
To Next Page IconTo Next Page
To Next Page IconTo Next Page
To Previous Page IconTo Previous Page
To Previous Page IconTo Previous Page
Loading...
IC Data Sheets
EN 62 Q552.2E LA8.
2011-Jun-01
back to
div. table
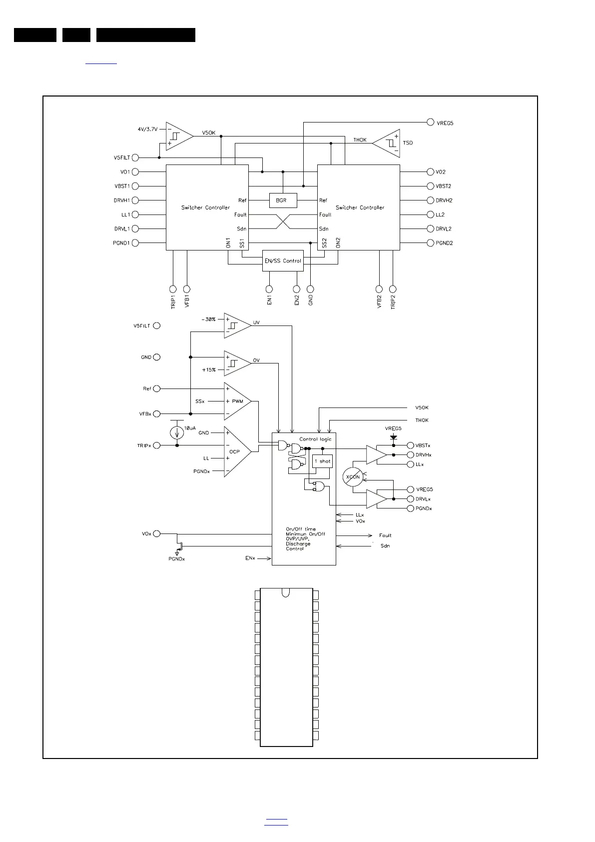
8.5 Diagram DC/DC B03B, TPS53126PW (IC7U03)
Figure 8-5 Internal block diagram and pin configuration
18310_300_090319.eps
100416
Block diagram
Pinning information
VBST1
NC
EN1
VO1
VFB1
NC
GND
TEST1
NC
VFB2
VO2
EN2
NC
VBST2
DRVH1
LL1
DRVL1
PGND1
TRIP1
VIN
VREG5
V5FILT
TEST2
TRIP2
PGND2
DRVL2
LL2
DRVH2
28
27
26
25
24
23
22
21
20
19
18
17
16
1
2
3
4
5
6
7
8
9
10
11
12
13
14
TPS53124
15

Table of Contents

Related product manuals