EasyManua.ls Logo

PIAGGIO Beverly Tourer 300 i.e. - Oil Filter

PIAGGIO Beverly Tourer 300 i.e.
333 pages
Print Icon
To Next Page IconTo Next Page
To Next Page IconTo Next Page
To Previous Page IconTo Previous Page
To Previous Page IconTo Previous Page
Loading...
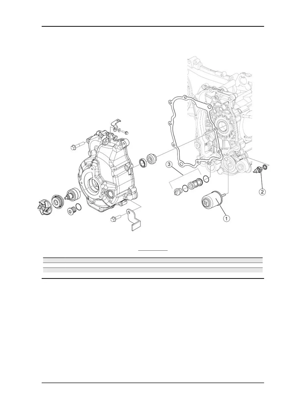
Oil filter
OIL FILTER
Code
Action Duration
1 001123 Oil filter -Replacement
2 001160 Oil pressure sensor - change
3 001102 Net oil filter - change / Cleaning
Beverly Tourer 300 i.e. Time
TIME - 287

Table of Contents

Related product manuals