EasyManua.ls Logo

PIAGGIO Beverly Tourer 300 i.e. - Voltage Regulator;Rectifier; Starter Motor

PIAGGIO Beverly Tourer 300 i.e.
333 pages
Print Icon
To Next Page IconTo Next Page
To Next Page IconTo Next Page
To Previous Page IconTo Previous Page
To Previous Page IconTo Previous Page
Loading...
VOLTAGE REGULATOR/RECTIFIER
Specification Desc./Quantity
Type Non-adjustable three-phase transistor
Voltage 14 to 15V at 5000 rpm with lights off
Starter motor
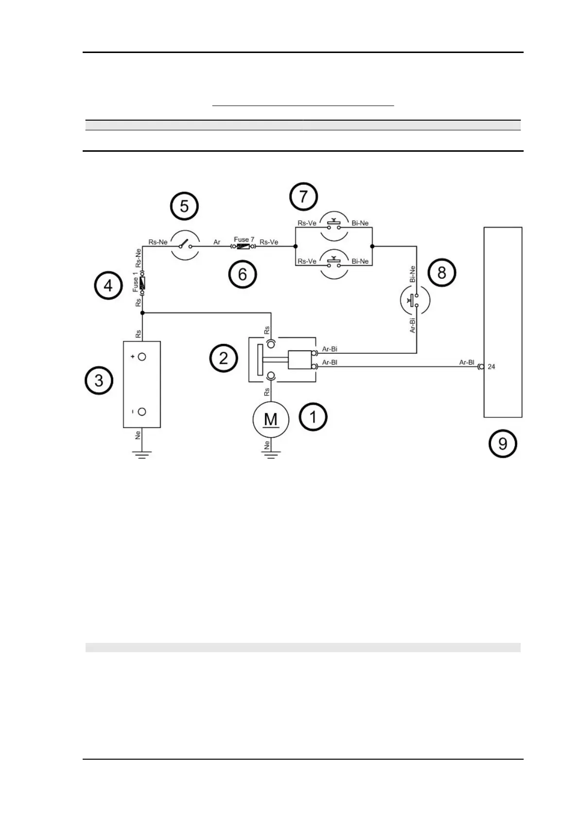
KEY
1. Starter motor
2. Starter remote control
3. Battery
4. Fuse No. 1
5. Key switch contacts
6. Fuse No. 7
7. Stop buttons
8. Starter button
9. Injection ECU
WARNING
ALL CONTINUITY TESTS MUST BE CARRIED OUT WITH THE CORRESPONDING CONNECTORS
DISCONNECTED.
1) Check if there is continuity of the Red cable connecting the battery, the start-up remote control switch
and the starter motor.
2) Check fuses No. 1 and 7, the key switch contacts, the stop buttons and the starter button.
3) Check the start-up remote control switch.
Beverly Tourer 300 i.e. Electrical system
ELE SYS - 93

Table of Contents

Related product manuals