EasyManua.ls Logo

PIAGGIO Beverly Tourer 300 i.e. - Horn Control

PIAGGIO Beverly Tourer 300 i.e.
333 pages
Print Icon
To Next Page IconTo Next Page
To Next Page IconTo Next Page
To Previous Page IconTo Previous Page
To Previous Page IconTo Previous Page
Loading...
4) If components are in good conditions, check that the wiring connecting them is not interrupted.
5) Check if there is continuity of the Orange-Blue cable between the start-up remote control switch and
the control unit connector.
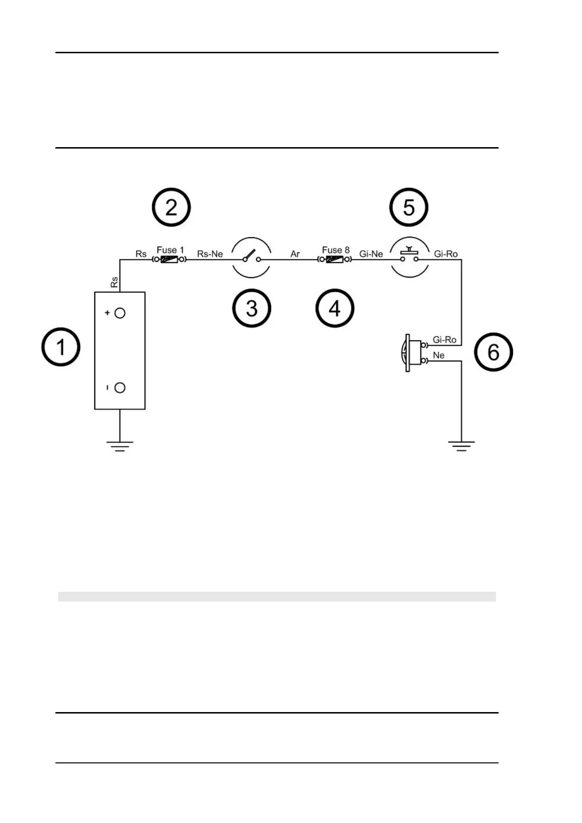
Horn control
KEY
1. Battery
2. Fuse No. 1
3. Key switch contacts
4. Fuse No. 8
5. Horn button
6. Horn
WARNING
ALL CONTINUITY TESTS MUST BE CARRIED OUT WITH THE CORRESPONDING CONNECTORS
DISCONNECTED.
1) Check fuses No. 1 and 8, key switch contacts and the horn button.
2) If the components are not damaged, check wiring for continuity.
3) Check that the Yellow-Pink cable between the horn and horn button is not interrupted.
4) Check that the Black cable of the horn is earthed.
Electrical system Beverly Tourer 300 i.e.
ELE SYS - 94

Table of Contents