EasyManua.ls Logo

PIAGGIO Beverly Tourer 300 i.e. - Air Cleaner

PIAGGIO Beverly Tourer 300 i.e.
333 pages
Print Icon
To Next Page IconTo Next Page
To Next Page IconTo Next Page
To Previous Page IconTo Previous Page
To Previous Page IconTo Previous Page
Loading...
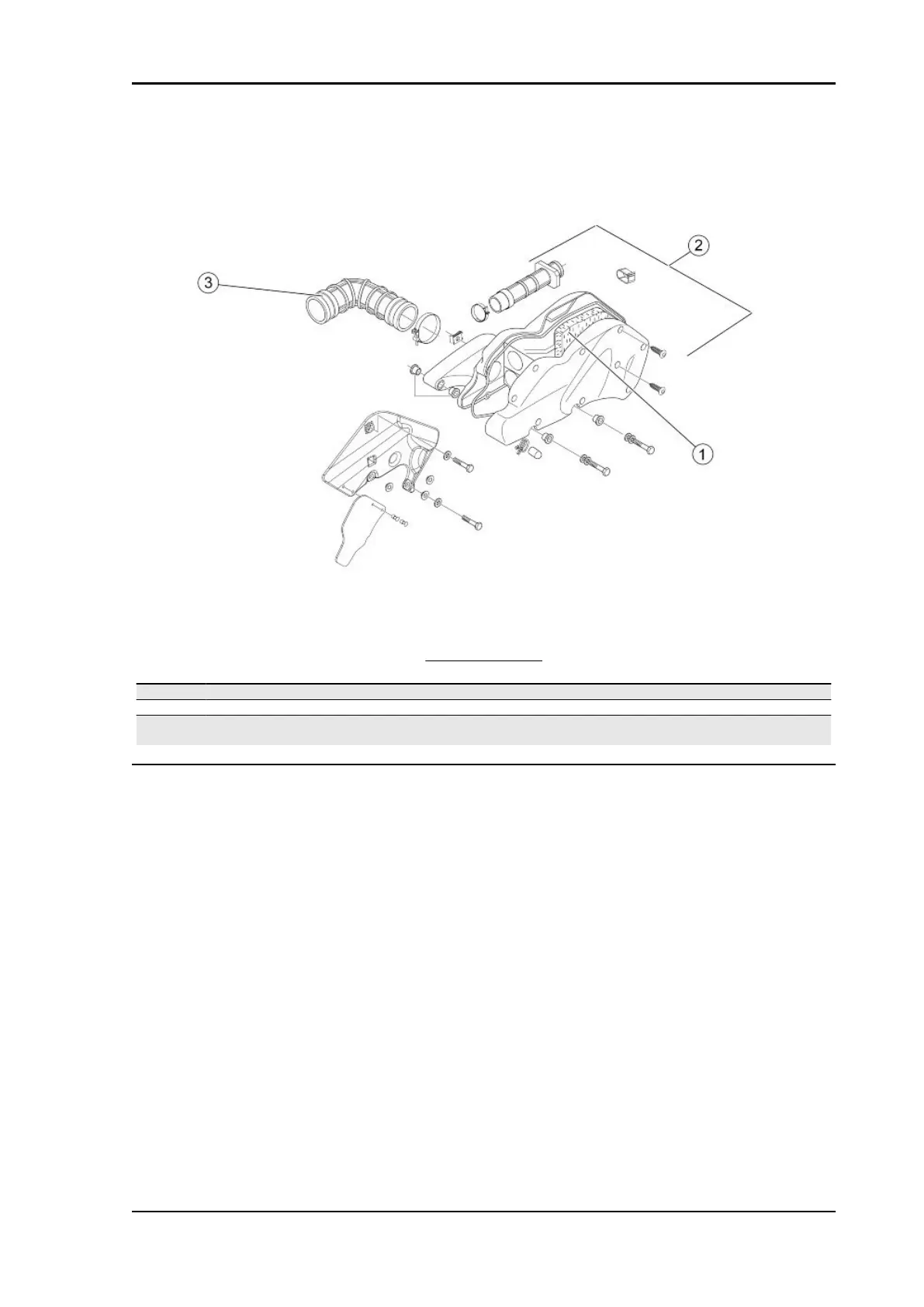
Air cleaner
AIR CLEANER
Code
Action Duration
1 001015 Air filter box - Replacement
2 001014 Air filter - Replacement / cleaning
3 004122 Air cleaner/ carburettor union - Re-
placement
Beverly Tourer 300 i.e. Time
TIME - 299

Table of Contents