EasyManua.ls Logo

PIAGGIO X9 Evolution 125 2008 - Pick-Up and HV Coil Electrical Checks

PIAGGIO X9 Evolution 125 2008
262 pages
Print Icon
To Next Page IconTo Next Page
To Next Page IconTo Next Page
To Previous Page IconTo Previous Page
To Previous Page IconTo Previous Page
Loading...
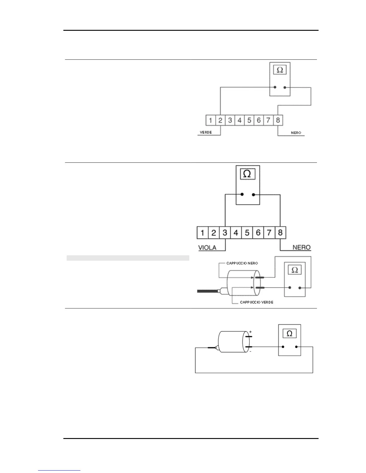
Pick-up resistance value: 105 ÷ 124 Ohm
If a break in the circuit is found, check again the
flywheel and the engine ground connectors (see
engine manual). If non-conforming values are
measured, replace the Pick-Up; otherwise, repair
the cable harness.
In case conforming values are measured, try re-
placing the control unit (without programming) and
make sure the failure has been solved by checking
sparks are produced in the spark plug; only then
program the control unit.
- HV coil primary check
Disconnect the control unit connector and check
that the cable between terminal No. 3 and terminal
No. 8 is not interrupted (see figure).
If non-conforming values are measured, check
again the HV coil primary directly on the positive
and negative terminals.
If non-conforming values are measured, repair the
cables or replace the HV coil.
N.B.
THE MULTIMETER MUST BE SELECTED TO DETECT
CONTINUOUS VOLTAGE.
Electric characteristic
Resistance value:
0.4 ÷ 0.5 Ohm
- HV coil secondary check
Disconnect the spark plug cap from the HV cable
and measure the resistance between the HV cable
terminal and the HV coil negative terminal (see
figure).
If non-conforming values are measured, replace
the HV coil. To carry out a more complete diagno-
sis, check the peak voltage with the multimeter
adaptor.
Specific tooling
020409Y Multimeter adaptor - Peak voltage de-
tection
X9 Evolution 125 Electrical system
ELE SYS - 71

Table of Contents

Related product manuals