EasyManua.ls Logo

Polaris 800 RMK ASSAULT 2011

Polaris 800 RMK ASSAULT 2011
512 pages
To Next Page IconTo Next Page
To Next Page IconTo Next Page
To Previous Page IconTo Previous Page
To Previous Page IconTo Previous Page
Loading...
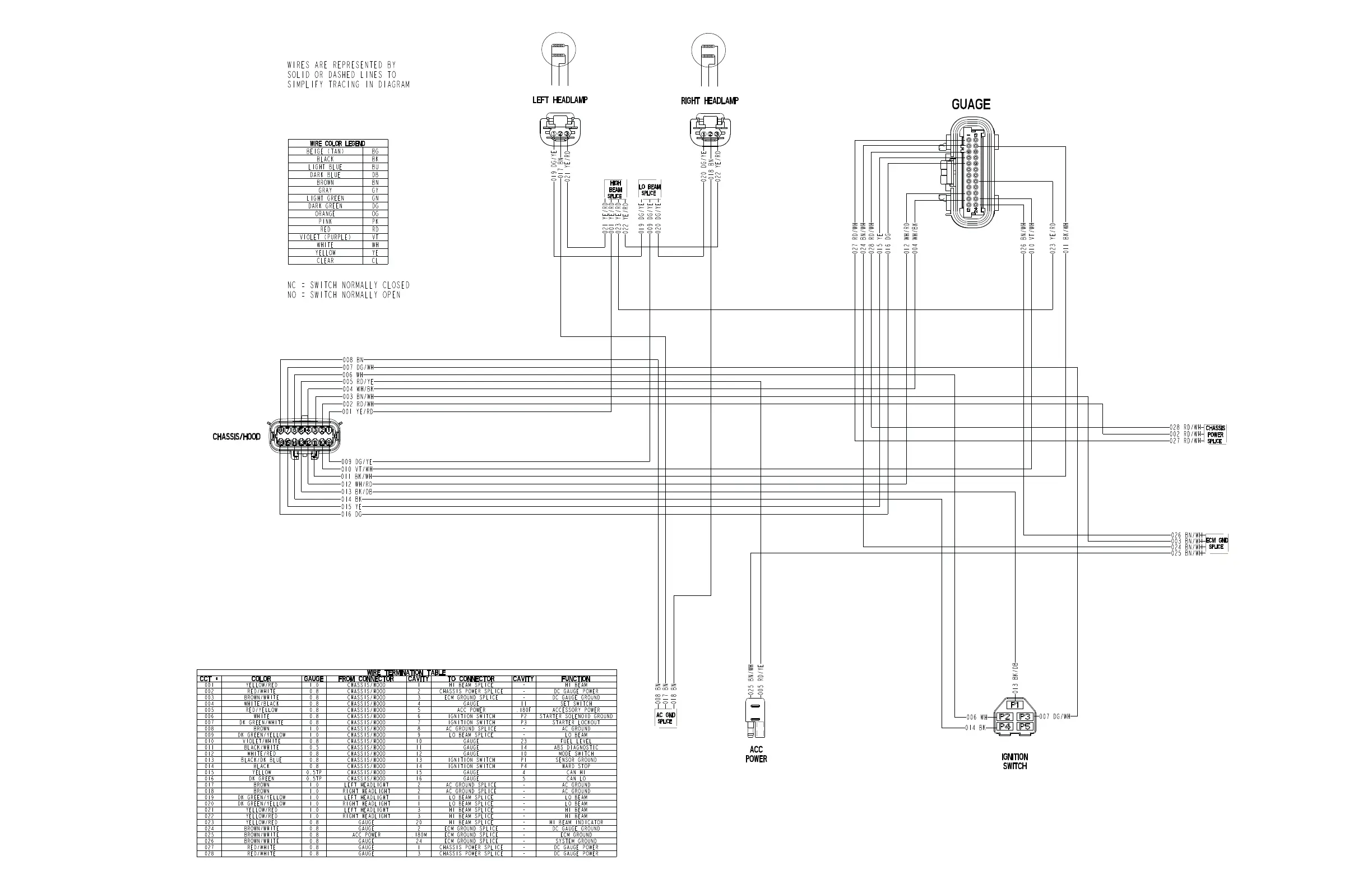
2011 PRO-RIDE Hood Harness

Table of Contents

Related product manuals