EasyManua.ls Logo

Polaris 800 RMK ASSAULT 2011 - Page 504

Polaris 800 RMK ASSAULT 2011
512 pages
To Next Page IconTo Next Page
To Next Page IconTo Next Page
To Previous Page IconTo Previous Page
To Previous Page IconTo Previous Page
Loading...
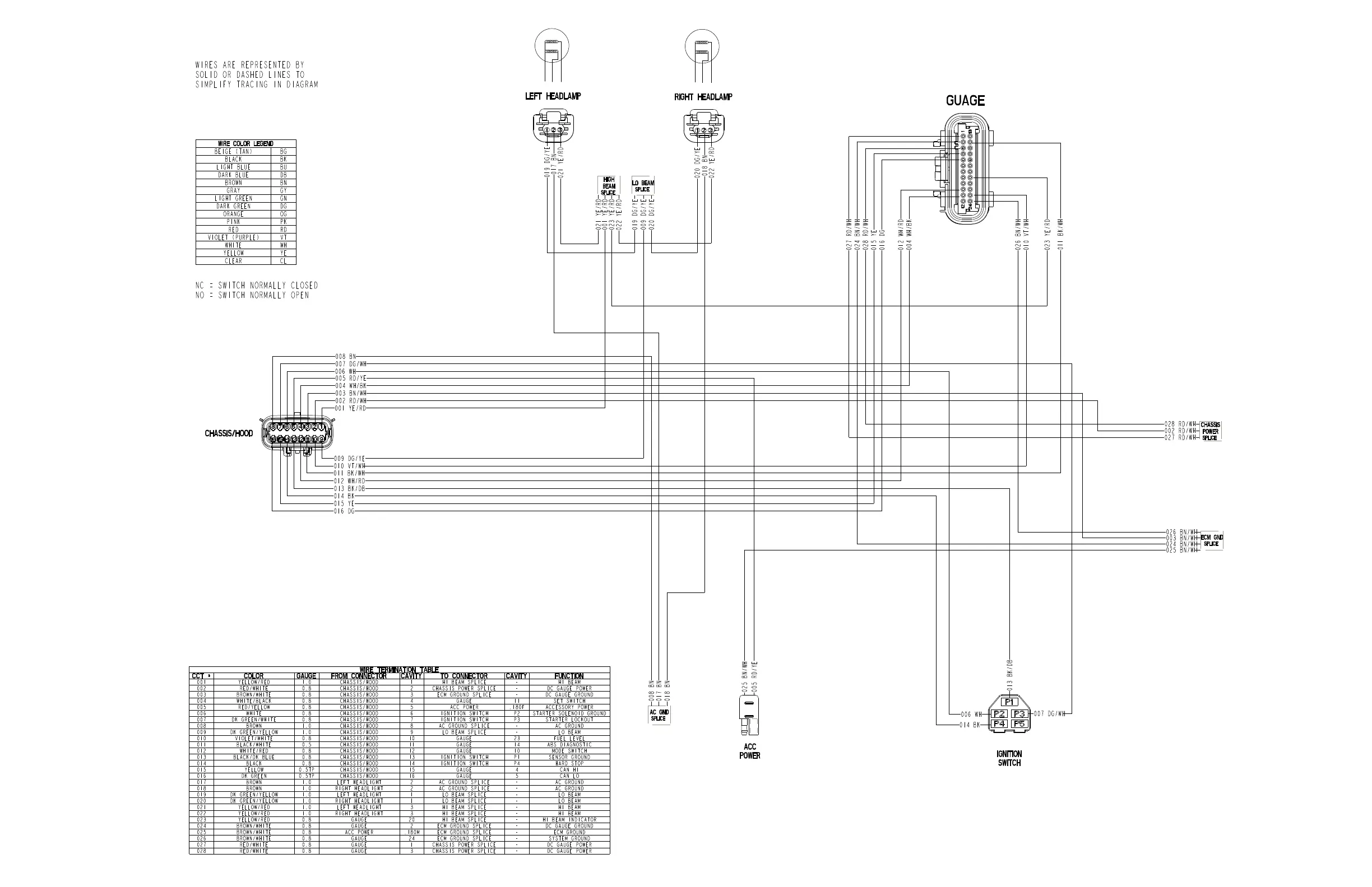
2012 PRO-RIDE Hood Harness

Table of Contents

Related product manuals