EasyManua.ls Logo

Polaris RANGER XP 700 4X4

Polaris RANGER XP 700 4X4
330 pages
To Next Page IconTo Next Page
To Next Page IconTo Next Page
To Previous Page IconTo Previous Page
To Previous Page IconTo Previous Page
Loading...
4.5
FUEL INJECTION
4
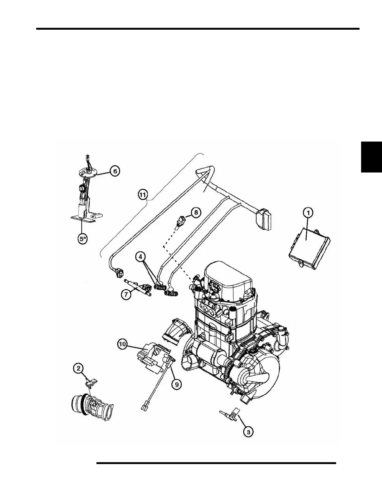
EFI System Exploded View
1. Electronic Control Unit (ECU)
2. Intake Air Temperature / Barometric Air Pressure Sensor (T-BAP)
3. Crankshaft Position Sensor (CPS)
4. Fuel Injectors
5. Fuel Filter
6. Fuel Pump / Regulator / Gauge Sender Asm. (Located in tank as an assembly)
7. Fuel Rail
8. Engine Coolant Sensor (ECT)
9. Throttle Position Sensor (TPS)
10. Throttle Body
11. Wire Harness (Part of main harness)

Table of Contents

Related product manuals