EasyManua.ls Logo

Polaris RANGER XP 700 4X4

Polaris RANGER XP 700 4X4
330 pages
To Next Page IconTo Next Page
To Next Page IconTo Next Page
To Previous Page IconTo Previous Page
To Previous Page IconTo Previous Page
Loading...
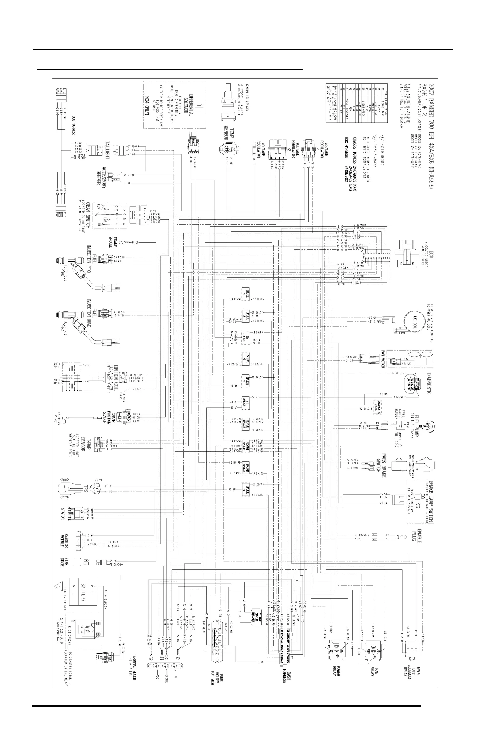
11.1
WIRE DIAGRAM
RANGER 700 EFI 4X4 / 6X6 (CHASSIS) PAGE 1 OF 2

Table of Contents

Related product manuals