EasyManua.ls Logo

Polysoude PS 406-2 - Page 34

Default Icon
92 pages
Print Icon
To Next Page IconTo Next Page
To Next Page IconTo Next Page
To Previous Page IconTo Previous Page
To Previous Page IconTo Previous Page
Loading...
34-92 PN-0908073 Rev. 11
PS 164-2
THE ART OF WELDING
01 - NANT ES
I22=090 A
01 - NANT ES
I22=100 A
01 - NANT ES
T22=0100 ms
01 - NANT ES
I23=045 A
01 - NANT ES
T23=0100 ms
12
13
12
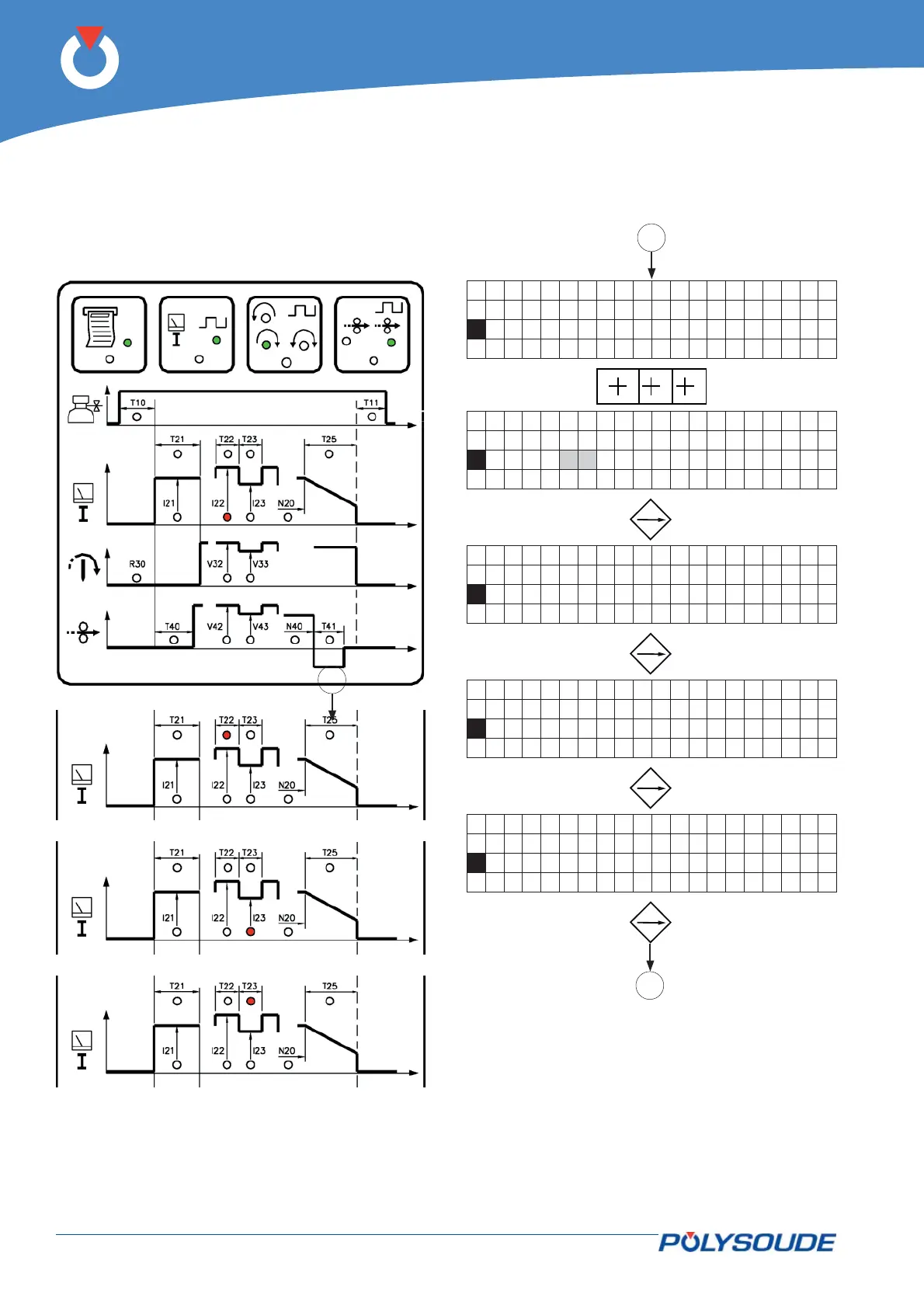
Current
I22 = high current
T22 = time of high current
I23 = low current
T23 = time of low current

Table of Contents

Related product manuals