EasyManua.ls Logo

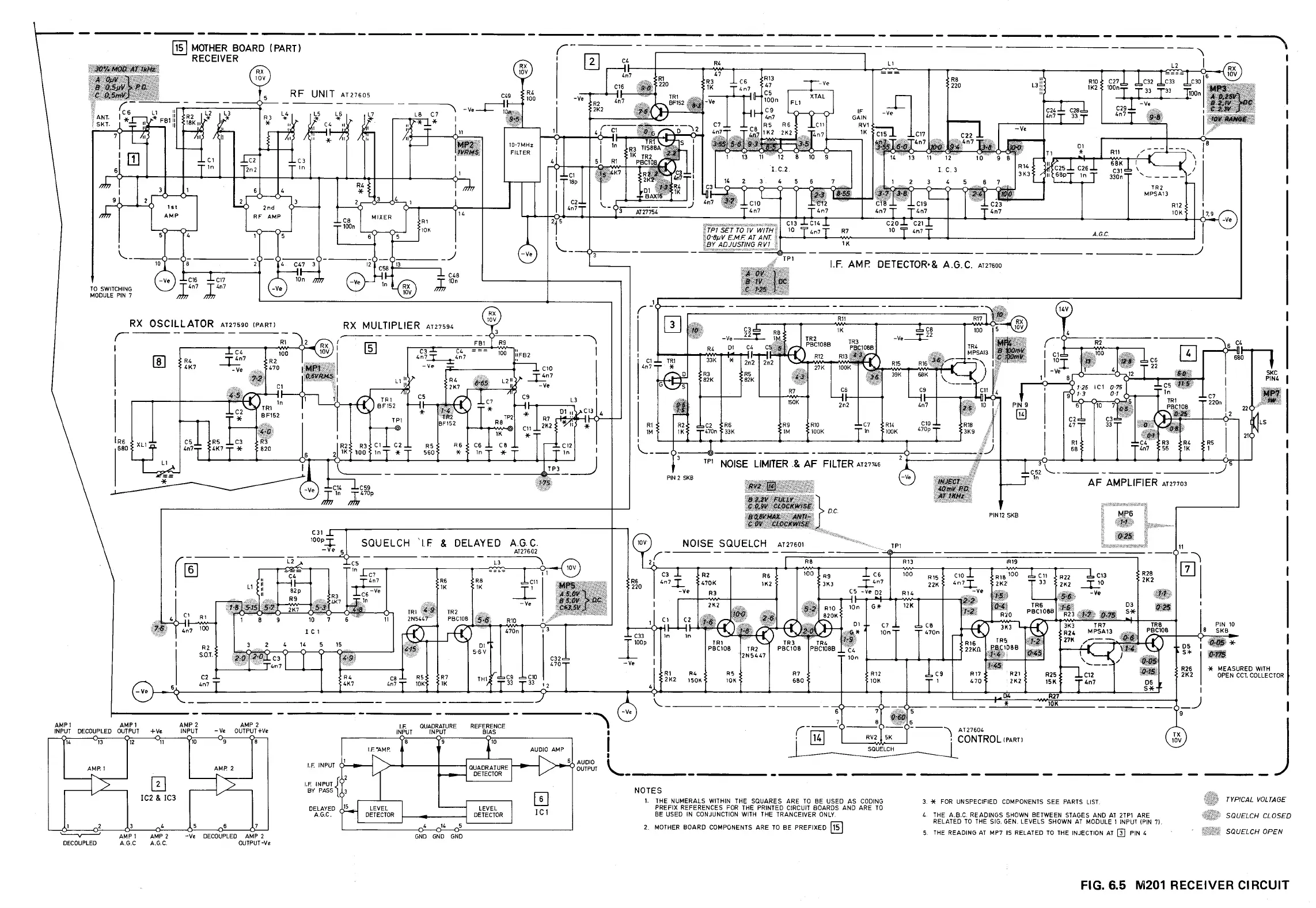
PYE OLYMPIC M201 - Fig. 6.5 M201 Receiver Circuit

PYE OLYMPIC M201
101 pages
Print Icon
To Next Page IconTo Next Page
To Next Page IconTo Next Page
To Previous Page IconTo Previous Page
To Previous Page IconTo Previous Page
Loading...
E
MOTHER BOARD (PART)
RECEIVER
r
C4
R4
LI
L2
wk./.
MOD
AT 1k
A OpV
S
0,5pV P D.
C 0,5mV
,C
ANT. I
SKT.
47
SR3
4n7
6
sRI3
4n7
247
C
II
--.
1
-
0
5
00
I
L
4n7
C9
110
C
I
:I
R5
9-3
8.5
R1
R8
220
C27
C32 C33 C30
100n
T T
33
T
33
C29
1 -Ve
407 T
RIO
IK2
C24 i C281
407T 33T
-Ve
220
C16
-
\;
"-..*-1
4
1-
7
R2
2K2
MP3
A 0,25V
8 2,1V D
C
2,3Y
10V RANGE
1700n
RF
UNIT
AT27605
C49
1%4
0
-
Ve
XTAL
FLI
TR1
5
Ve
C
7
47
BF152
q
,
76
IF
GAIN
RV1
1K
-Ve
C15
355
_
6
0
2
L3
L4
L5
-*.
L6
L7
LB C7
FBI II
R2
I8K.
4
R6
C11
4
6
r
-
ct
0
c
D
-
12
1n
TR1
s
-Ve
0'0
2K2
C17
C22
4n7
4n7
9
4
3,9
14
13
II
12
10
9 6
I. C.3
1 2 3 4 5 8
7
4n7
7
it
3-5
10.7MHz
FILTER
DI
T1
T
R14
II
,C251 C26
3 K3
1
R3 T1588A
5 R1 1KpjA208
1
5
4K7
R2
2
2K2
O
0
10
9
R11
13
11
12
8
-I-
C2
C1
T
in
6 8Ki
32,;—
C3
In
0
T
r'2
I. C.2.
14 2 3 4 5
6 7
i
6
t
3
PT in
4n7T
R4
1K
CI
18p
R4
1.3
DI
TR2
MPSA13
3
1
6
4
2.3
8-55
7
C12
C18
C19
r-r
4n7
4n7
T T
407
?
-A-
C13
C14 I
C2 0-I- C21_1_
10
T
4'7T
R7
we
10
T
407
T
1K
0
0
0
0
BAXI6
0
3
o
9
2
0
1st
AMP
2
0
2nd
RF AMP
3
C2
4n7
C10
C23
T
4
n
7
R12
0
14
4n7T
T
407
AT27754
10K
MIXER
—C8
100n
TPI SET TO IV WITH
0,5
1
pV E.MF AT ANT.
BY ADJUSTING PV1
10K
A.G.C.
4
1
5
6
0
0
8
2
0
0
4 C47
-Ve
10n
TP1
0
I.F. AMP DETECTOR4 A.G.C.
AT27600
3
12
C58.
13
IAA DV
B IV
C 1
-
25
-I-
C48
—C16 IC17
*
-
11
-•
In
/7
1
7
4n7
fi
l4n7
0 SWITCHING
MODULE PIN 7
,\
110
5
B
C
R1I
R17
RX
OSCILLATOR
AT27 590 (PART)
3
RX MULTIPLIER
AT27594
C3
-Ye
R4
DI C4 C5 5
33K
-
I
-
C8
1K
100
_
ve
_T
.
22
0
TR2
PBC108B
TR3
PBC108B
FB1
R9
C3
C4 ===
100
4n7
4n7
R2
we
TOO
6 C4
O
TR4
MPSA13
R15
R16
36
680
j
a
me
Om V
PIN 9
14
K17
_T±n7
C4
R4
-Ye
100
R2
470
IIFB2
R12
R13
CI
13
12 6
C6
o
12
T
22
60
CI
TR1
2n2 2n2
-Ve
4n7
N
MP1
27K
100K
C10
T1,07
-Ve
SKC
PING
2K
39K
68K
0,6VR
L2 II
CS
11 5
In
Cl
1-25 ICI 0.25
9 13
0.1
0
6
0
0
1
0 7
0
o
5
C2.=
C3=
47 T
33
C6
C9
C11
(
5
10
$R18
i3K9
R7
150K
MP7
C7
C5
C9
TR1
L3
TR1
P8008
025
C7
In
TR1
BF152
220n
2n2
4n7
BF152
220
1-4
7112
BF152
CI3
1
D1 y
C2
2
21
0
R
T P1
R8
S
C10 —
T
an CI
RI $
1M •
5
1
0%,<
.
7
262
C11
0
470p,
1K
1K
R6
C5
R5
C3
4n7 4K7 * 820
N 1
R3 &R4
56
R5
XLI
T
CI
C2
6 C6
C8
Cl2
'T
2
5
R5
60
680 680
In
to
TP1
NOISE LIMITER
AF FILTER
AT27746
TP3
PIN 2 5KB
T
—C11
71-059
In L470p
AF AMPLIFIER
AT27703
INJECT
40m
1
PO
;
,..AT 'KHz
FkV2
E
2,21
1
FULLY
C
0,9V CLOCKWISE
0,9VMAX
ANTI-
C OV CLOCKWISE
D.C.
PIN 12 5KB
0311
10
0
P
SQUELCH
-Ve
5
L2
—05
=
—In
C4
_L=
T
4n7
82p
R3
_Lc6-Ve
4_4
9
, 4K7
8
5-15 5.7
2K7
0
0
5 3
0
0
0.2
5
'I.F & DELAYED A.G.C.
AT27602
NOISE SQUELCH
AT27601
TP1
2
"
R8
100
R13
R19
L3
,
vs,
4n7,
Ve
1.5
T
c,
17,2,22
5-6
-Ve
1-2
5
31403
PBC1086 t 1123
1.7
—12
:
1
7 I,
C
)
::yet
:
0 3
S*
pram
Ri
, 100
2K2
2.2
04
TR6
1.6
D3
—.
TR5
1.2
114
"
---
M
— ---- °-
6
1
F
M"
).
PBC101361
\ 14
X 05
S*
1.4
0.45
I
1
1-45
...._
R17
470
P21
2
{
R25{
-L
\
C12
151 .
T'
C3 I
R9
I- C6
100
.....,„
31(3
_L4n7
C5 -Ve D2
R14
II
- 4
820/t
1
12KI
2
P10
♦ 100
G*
DI
C7
2
21<2
28
R2
470K
R6
R15
1
;i
6
,
IK
R6
407_1_
-Ve
11t2
MPS
A 5,0V
B
`
5,011
22K
220
LI
II
R3
D.0
In
2K2
TRI •
TR2
PBC108
0
100
0
RI
26
2N5447
8
9
10
CI
C2
RIO
6
1.9
100
0
G*
PBC108B
10n
TR4
I I
7017(
C9
T
1
PIN 10
8 SKB
•Il
407
1
°°
8
2
470n
I C 1
— C33
10 10
0.05 *
0-175
TR1
PBC108
TR3
PBC108
2
4
14
5
0
0 0 0
0
1 C3
15
3
DI
R2
C2
4n7
T
TR2
5.6V
2N 5447
C32=
-Ve
470
T
4
n
7
7?
<
6
2
* MEASURED WITH
OPEN CCT. COLLECTOR
VR1
R4
R5
j2K2 150K
106
R7
c.C9 oCIO
33
T
33
2
F
4
'
1
.
7
4n
7
T
10K
IK
THI
680
101
0
TX
1011
0
.
60
0
6
8
AMP 2
+Ve
INPUT
0
11
0
10
AMP
2
-Ve
OUTPUT +Ve
AMP
1
INPUT
114
AMP I
OUTPUT
12
IF.
QUADRATURE REFERENCE
NPUT
INPUT
BIAS
AT27604
i
CONTROL
(PART)
_L
DECOUPLED
0
13
RV2 5K
SQUELCH
AUDIO
OUTPUT
AMP 2
AMP.1
.1••1
.1••
[I]
1C2 & 1C3
LE
INPUT
BY PASS
NOTES
I. THE NUMERALS WITHIN THE SQUARES
ARE TO BE USED AS CODING
PREFIX REFERENCES FOR THE PRINTED
CIRCUIT BOARDS AND ARE TO
BE
USED IN CONJUNCTION WITH THE TRANCEIVER
ONLY
2 MOTHER BOARD COMPONENTS ARE TO BE
PREFIXED
E
TYPICAL VOLTAGE
SQUELCH CLOSED
SQUELCH OPEN
3 * FOR UNSPECIFIED COMPONENTS SEE PARTS LIST,
DELAYED
A.G.C.
4. THE A.B.C. READINGS SHOWN BETWEEN STAGES AND AT 2TP1 ARE
RELATED TO THE SIG. GEN. LEVELS SHOWN AT MODULE 1 INPUT (PIN 7).
5, THE READING AT MP7 IS RELATED TO THE INJECTION AT M PIN 4
O
l
0
2
0
3
0
4
0
5
0
6
0
7
AMP
1
AMP 2
-ye DECOUPLED AMP 2
DECOUPLED
A.G.0
A.G.C.
OUTPUT-V
GND GND
GND
I
B
FIG. 6.5 M201 RECEIVER CIRCUIT

Table of Contents