EasyManua.ls Logo

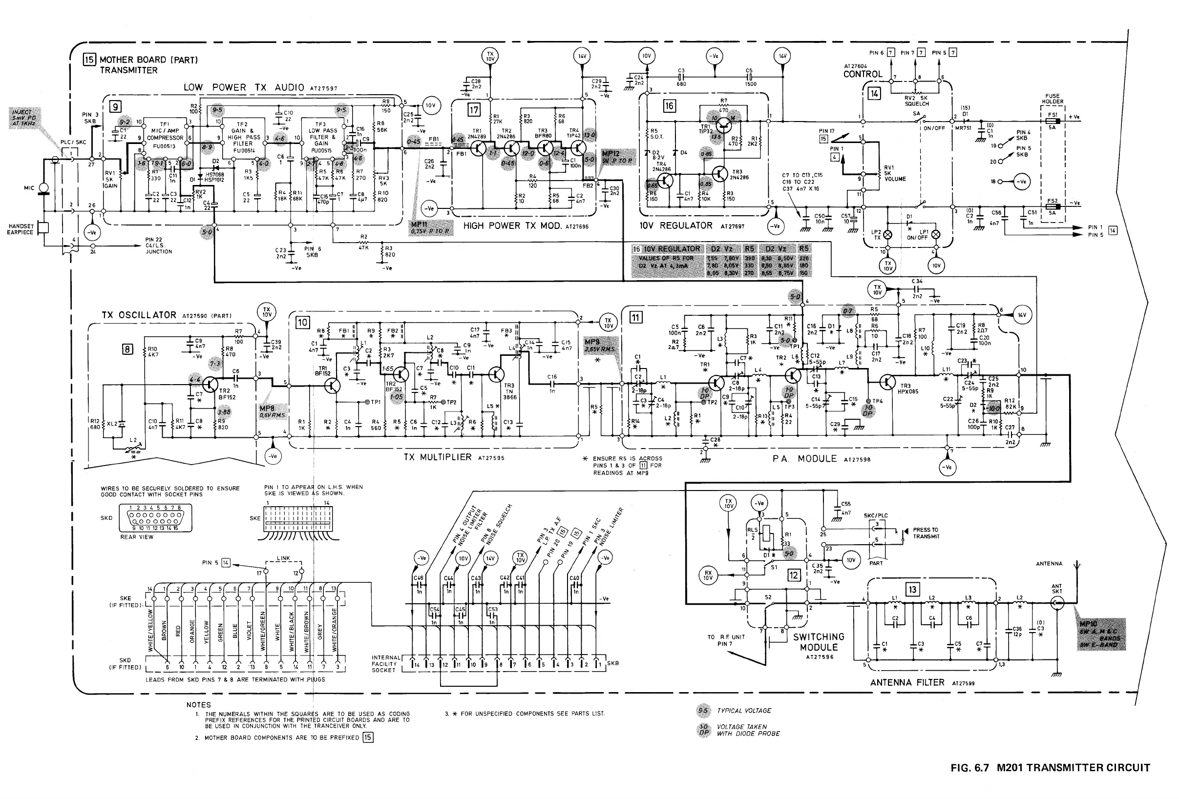
PYE OLYMPIC M201 - Fig. 6.7 M201 Transmitter Circuit

PYE OLYMPIC M201
101 pages
Print Icon
To Next Page IconTo Next Page
To Next Page IconTo Next Page
To Previous Page IconTo Previous Page
To Previous Page IconTo Previous Page
Loading...
r
o MOTHER BOARID (PART)
TRANSMITTER
LOW
POWER TX AUDIO
AT2 7 597
PIN 6
E
PIN 7
E
PIN 5
E
AT 27604
CONTROL
7
C29 _L
2n2_T_
5
-Ve
1
C28
_Tin2
-Ve
1
-
-0
-
(
-
111
2n2
680
1500
rcL
-
- -
El
Th
FUSE
HOLDER
r - --1
I FS1
1 =I
5A
r
PIN 3
RV2 5K
SQUELCH
SA,
2
ON /OFF
R7
R9
5
2,510
1
0
9
:::-It
;ve
(1)252
.4
FB
,
24
, 1N4289
TR1
150
1
C16
5
R
6
8
6
6
=
3
4-6
C26
2n2
—Ve
R2
100
9
'
5
(15)
DI
MR17-.
51
Cl
i(C
1:1
SKB
N
B
4
19
PIN 5
SKB
20
INJECT
.
91
5rriV PO
A
T
1KHz
9
.
5
470
C10
1
R6
$ R3
27K
j820
TR2
2N4286
+ Ve
/0i Ott
22
SKB I
9.2
A,C1
68
TEl
0
3
100
TF2
MIC / AMP
GAIN &
COMPRESSOR 6
9 HIGH PASS
FU00513 0-.—
FILTER
8.9
FU00514
10
T
22 9
RV1
8
/4"
5K
GAIN
TF3
TR1
TIP32
-Ve
LOW PASS
3
4.6
10
FILTER &
0 GAIN
ITU00510
TR4
$ 95
.c S.O.T.
TR3
BFR80
PIN 17
TIP42
13,5
R2
RI
470 t 2K2
PIN 1
p
D2
8.2V
D4
1.1
12-0
0
-
45
0.6
MP12
FB1
C
D2
1-6
0
79./
0
5
0
.0
60
504.
RI
HF
2
6
—•
J41
R3
w HS7068
330
V
DI —HSP1012
165
5
-
0
9V P TO P
4
5
4
.
8
R5 t
S
R6
R7
47K 47K 270 ti
-
273
5K
2•
TR4
2N4286
RV1
5K
VOLUME
TR3
C7 TO C13 ,C15
CI8 TO C22
C37 4n7 X 16
R4
120
FB2
4
IC30
R2
95 ± C2
I
T
2n2
10
68
T''
,
-Ve
.../
2N4286
18
'
06
0
85
M IC
C2 c.C3 i_
.
4 13V2
22
T 22L,C124
1K
C4
TIn
22
R4 SRI)
IBK J686
C8 $ R10
T
4,u, < 820
R6 —Cl R4 R3
t150
1-4n7 10K 150
10V REGULATOR
AT27697
C5
7C015p'''
_ C7
\ I.
050
1
c5712
10n; 10z
22
FS2
-Ve
C561
.
IC51 `5A
4n7 T
T
In
— —
N.-
PIN 1
PIN 5
'
):,
I5
¶3
(0)
C2
In
a
;
3
MP11
HIGH POWER TX MOD.
AT27696
0,75V P TO P
HANDSET
EARPIECE
7
14
LP2
10
R2
veNe
47K
-
R3
PIN 22
C4/L.S.
JUNCTION
16 10V REGULATOR 02 Vz R5 02 Vz R5
VALUES OF R5 FOR
7,55 7,80V 390 8,30 8,504 220
02 Vz AT 4,3mA
7,80 8,05V 330 8,50 8,65V 180
8,05 8,30V 270 8,55 8,75V 150
C23—PIN
6
2n21 SKB
-Ve
-Ve
820
C 34
2n2
5.0
0
4
-Ve
R5
TX OSCILLATOR
AT27590 (PART)
I
C19 in
2n 2
21)
-
7
C20
T100n
C51
C6
0
10
R
nj 2n2
i
24,7
2
L3
-Ve
RII
68
10
C17 I
1
FBI ::
R9
FB2 II
* II
*
* •
CII *
C16 — DI
II
R3
T
2n2
*
16
2n2
L8
-Ve
F
TP1s
0C
L9 II
3
5_
1
5
2
p
L7
.C7*
TR2 L
r
R6
R7
FB3
II
R8
CI
_L
4n7_T_
- Ve
: TR1
BF152
R7
vor
100
4
—C39
4n7 I
C18
10
100
L2
1C9
0141
1
C15
in
T T
4n7
-Ve
MP9
2,65V RMS
.
*
2n2
L1
iifC2
C3 -I-
*
—T-
-Ve
1 C9 -Ve
v C8
1
In
/
*
-Ve
C7 1 '
4-11
110 CII
$ R10
4K7
T ±n7
L10
*
1
$ R8
2470
R3
11
C17
2n2
-Ve
C23 *
2K7
- Ve
-Ve
CI
*
-Re
TR1
1 65
L11
*
C25
C24
2
L4
10
C6
*
*
-Ve
C13
F—
C14
_,1
1C15
5-55p7"
-
T
C16
C2
LI
1—cL--•—•-9-**-A-1
I n
—1
2-18p
I
1
C3 C
-
4
218p
C8
2-18p
C9±
TR2
BF152
1.05
n2
5-55
p R9
1n
r
TR2
BF152
TR3
TN
3866
TR3
PPX085
C5
R7
10
OP
—•-(2)
L5 TP3
1
.
0
DP
©
TP2
C7
*
16
R12
2
*
0.0 82K 9
C26
RIOS
100pT 1K2 C27
C22i
.
911 IC8
4
11) TP4
DP
C29
_L
*T
TP2
*
Tao
x
2i
5-55p
L5*
R5 $ C6
C12
L3I
R6
*
in
T *T
*
5
1K
M P8
0,6V
17 MS
8
13,:
R4
22
11
L2 ,
.11
*
RI
*
2-18p
R9
R12
C10
RI4
*
RI
1K
0-
C4
R4
In
560
R2
C13 —
680
4n7
T
4K7
T
1
820
*T
8
0
5
IC28
1*
L2
;-=
TX MULTIPLIER
AT2759 5
P A. MODULE
AT27598
* ENSURE R5 IS ACROSS
PINS 1 & 3 OF
Ei
FOR
READINGS AT MP9
PIN 1 TO APPEAR ON L.H.S. WHEN
SKE IS VIEWED
AS
SHOWN.
WIRES TO BE SECURELY SOLDERED TO ENSURE
GOOD CONTACT WITH SOCKET PINS
IC55
sp
.
e
s'
/: e
0
;
c
t
-
cy/p
14
1 2 3 4 5 6 7 8
00000000)
\0_000000/
9 10 11 12 13 14 15
/7
;4 n7
SKC/ PLC
3
4
PRESS TO
TRANSMIT
SKD
SKE
I
II
III
111111
REAR VIEW
LINK
PIN 5
17
0
-I
ANTENNA
12
C46
C44
C43
C42
-11-•
In
In
In
1n
1n
C41
C40
-1E*
In
ANT
SKT
10
14
SKE
r
0 0
0 0 0 0 0 0
(IF FITTED).
L
I
52
4
LI
L2
13
2
L2
*
*
*
*
0 0
0 0
-Ve
1
.
154
In
10
C45
5
1
53
/1lA I-
-
8
o
SWITCHING
MODULE
WHIT
E/G
REEN
WHITE/
ORAN
G
0
C4
C6
—IF- —II-
In
(0)
C3
I*
Ui
0
MP10
OW
A, MC
C
RANDS
AW
E- BAND
Ui
TIN
co
—C36
>-
7
T
I12p
cc
co
ce
TO R.F. UNIT
PIN 7
-C1 _C3
C5 C7—
0
T *
T*
*
*T!
5
1,3
ANTENNA FILTER
AT27599
INTERNALE
FACILITY
14
13 12 11
10 9
8
7
6
5
4
3
2
1
i
SKB
SOCKET I__
AT275 9 6
,71
Li
SKD
(IF FITTED)
fit
6 10 1
4 12 2
/13
5 14 11
n
n n
LEADS FROM SKD PINS 7 & 8 ARE TERMINATED WITH
PLJGS
NOTES
1.
THE NUMERALS WITHIN THE SQUARES ARE TO BE USED AS CODING
PREFIX REFERENCES FOR THE PRINTED CIRCUIT BOARDS AND ARE TO
BE USED IN CONJUNCTION WITH THE TRANCEIVER ONLY.
2.
MOTHER BOARD COMPONENTS ARE TO BE PREFIXED
ri
TYPICAL VOLTAGE
VOLTAGE TAKEN
WITH DIODE PROBE
3. * FOR UNSPECIFIED COMPONENTS SEE PARTS LIST.
FIG. 6.7 M201 TRANSMITTER CIRCUIT

Table of Contents