EasyManua.ls Logo

RTS BTR-800 - Page 12

RTS BTR-800
88 pages
Print Icon
To Next Page IconTo Next Page
To Next Page IconTo Next Page
To Previous Page IconTo Previous Page
To Previous Page IconTo Previous Page
Loading...
14 TR-800 Beltpack BTR-800, TR-800, TR-825
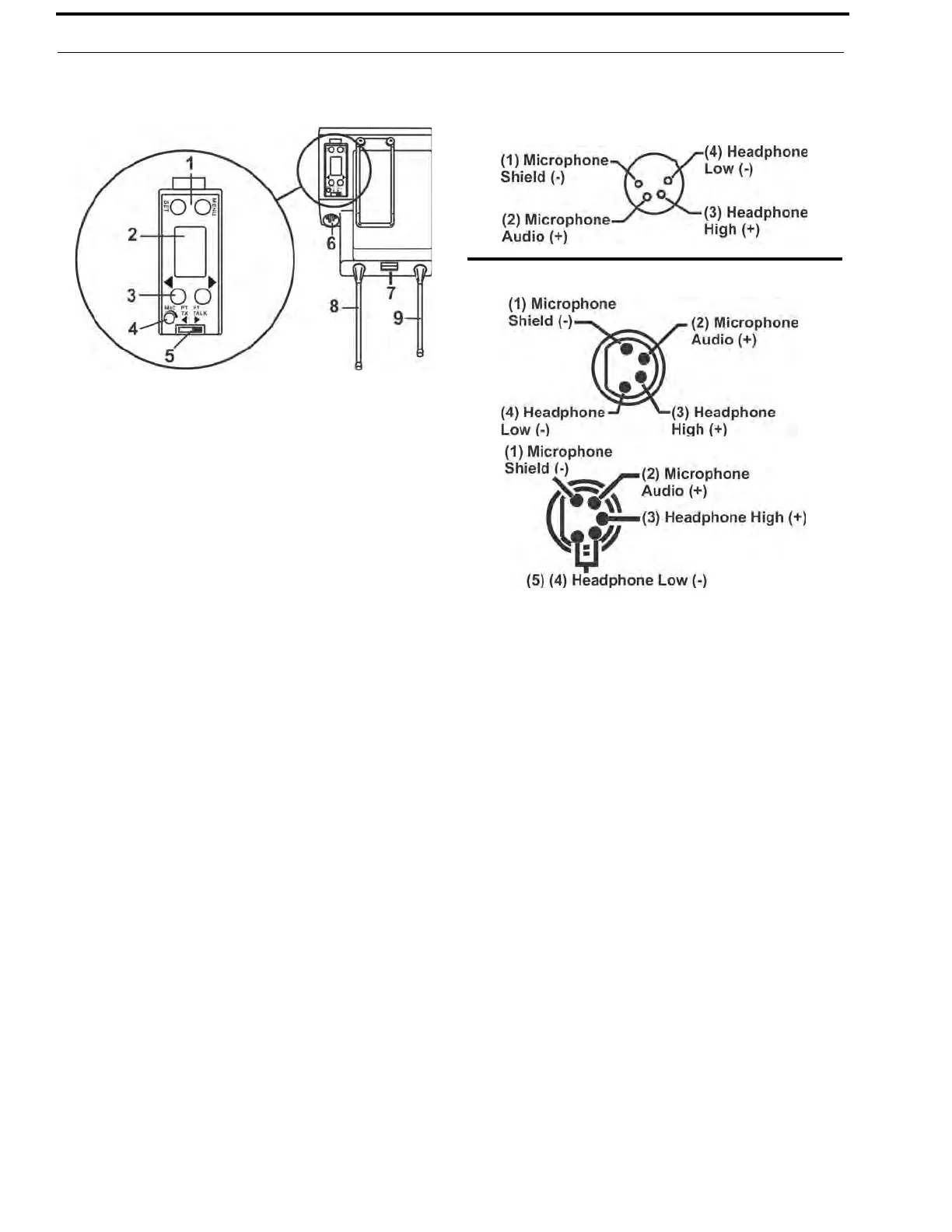
1. [MENU] and [SET] buttonsUsed to select menus and
set option on the LCD
2. LCD (Liquid Crystal Display)
3. [UP] and [DOWN] buttons – Used to select beltpack
options on the LCD.
4. Microphone Gain – Adjusts the headset’s microphone
gain. Adjust so that the BAT/OM LED will flash at the
beginning of most words at normal speech levels.
5. Push-to-Talk/Push-to-Transmit Switch
Push-to-Talk (PT TALK) – The t
ransmitter is always on.
No audio set unless the talk switch, WTA or SA button
pressed. Recommended position.
Push-to-Transmit (PT TX) – The transmitter and audio
path are
off except when the talk switch, WTA or SA,
button is pressed.
6. Headset Connector – Male XLR connector or female
XLR connector. A dynamic or electret headset
microphone is automatically detected by the beltpack and
a bias voltage supplied, if needed.
7. Battery Latch Press down to enable the battery pack to
be released. While the latch is held down, slide the
battery pack about 1/8 inch back, toward the latch, until it
stops. Then lift it out.
8. Receive Antenna – Screw type 1/4-wave replaceable
antenna. The color dot on the screw end of the antenna
must match color dot on antenna receptacle.
9. Transmit Antenna – Screw type 1/4-wave replaceable
antenna. The color dot on the screw end of the antenna
must match color dot on antenna receptacle.
FIGURE 5.
TR-800 Rear Panel/Connector/Antennas
Male Connector
Female Connector
FIGURE 6.
Headset Jack Wiring

Table of Contents

Related product manuals