EasyManua.ls Logo

RTS BTR-800 - Clearscan

RTS BTR-800
88 pages
Print Icon
To Next Page IconTo Next Page
To Next Page IconTo Next Page
To Previous Page IconTo Previous Page
To Previous Page IconTo Previous Page
Loading...
BTR-800, TR-800, TR-825 System Operation 55
ClearScan™
ClearScan™ performs a frequency scan of the factory-defined
and any setup user-programmable groups in order to find the
clearest group. After about 30 seconds, the clearest group is
displayed. A group is defined by receive 1 and 2 frequencies.
The next best group and so forth may be accessed with the
[DOWN] and [UP] arrow buttons.
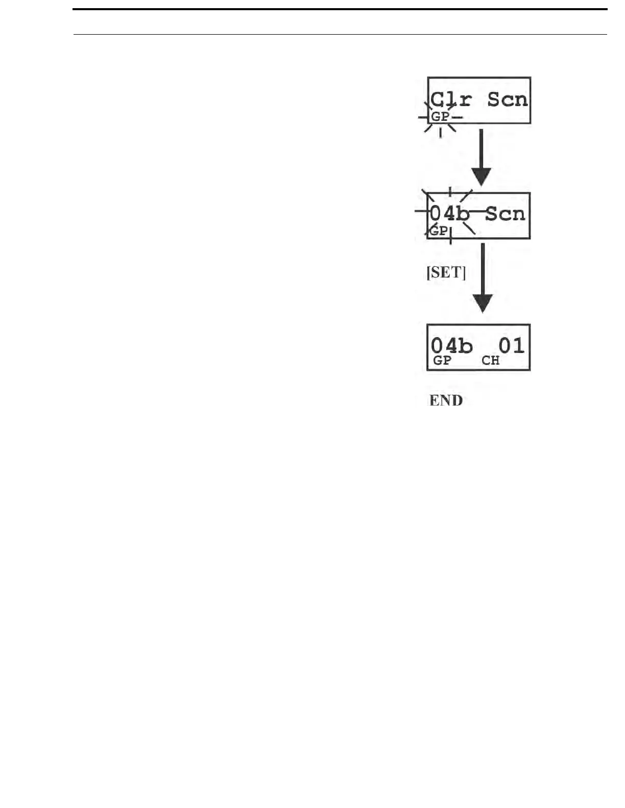
Press and hold [MENU]+[SET] for three seconds to enter
ClearScan™. The beltpack will now start searching for the
clearest groups. The group symbol will flash indicating the
beltpack is scanning for clear groups.
ClearScan™ will scan all groups. It will then display the 1st
group it came to that had the clearest receive channels. The
[UP]/[DOWN] buttons may be used to select the next best
group and so forth. Press [SET] to place the beltpack on this
group and return to the group/channel screen.

Table of Contents

Related product manuals