EasyManua.ls Logo

RTS BTR-800 - Page 6

RTS BTR-800
88 pages
Print Icon
To Next Page IconTo Next Page
To Next Page IconTo Next Page
To Previous Page IconTo Previous Page
To Previous Page IconTo Previous Page
Loading...
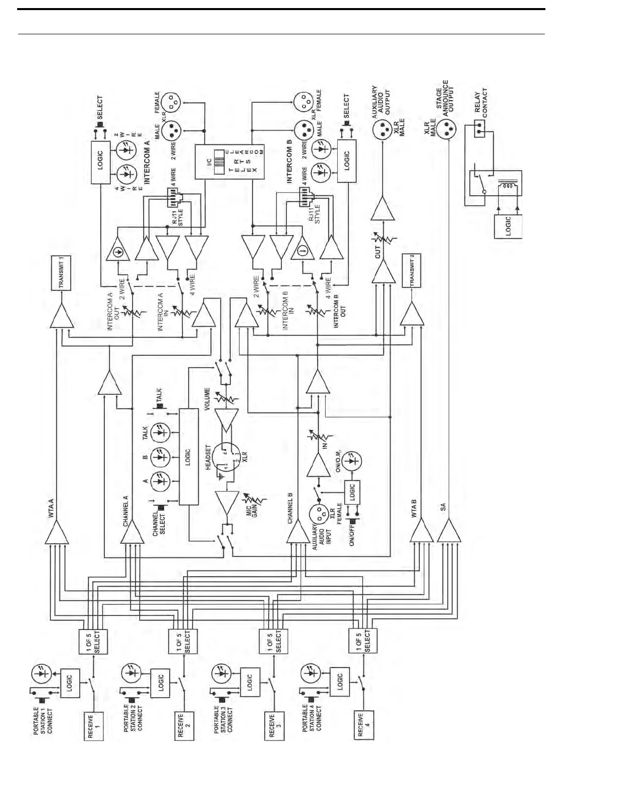
8 Introduction BTR-800, TR-800, TR-825
FIGURE 1. BTR-800 Block Diagram

Table of Contents

Related product manuals