EasyManua.ls Logo

Santerno DCREG4.150 - Page 85

Santerno DCREG4.150
200 pages
Print Icon
To Next Page IconTo Next Page
To Next Page IconTo Next Page
To Previous Page IconTo Previous Page
To Previous Page IconTo Previous Page
Loading...
DCREG2 15P0059B3
DCREG4 USER MANUAL
85/200
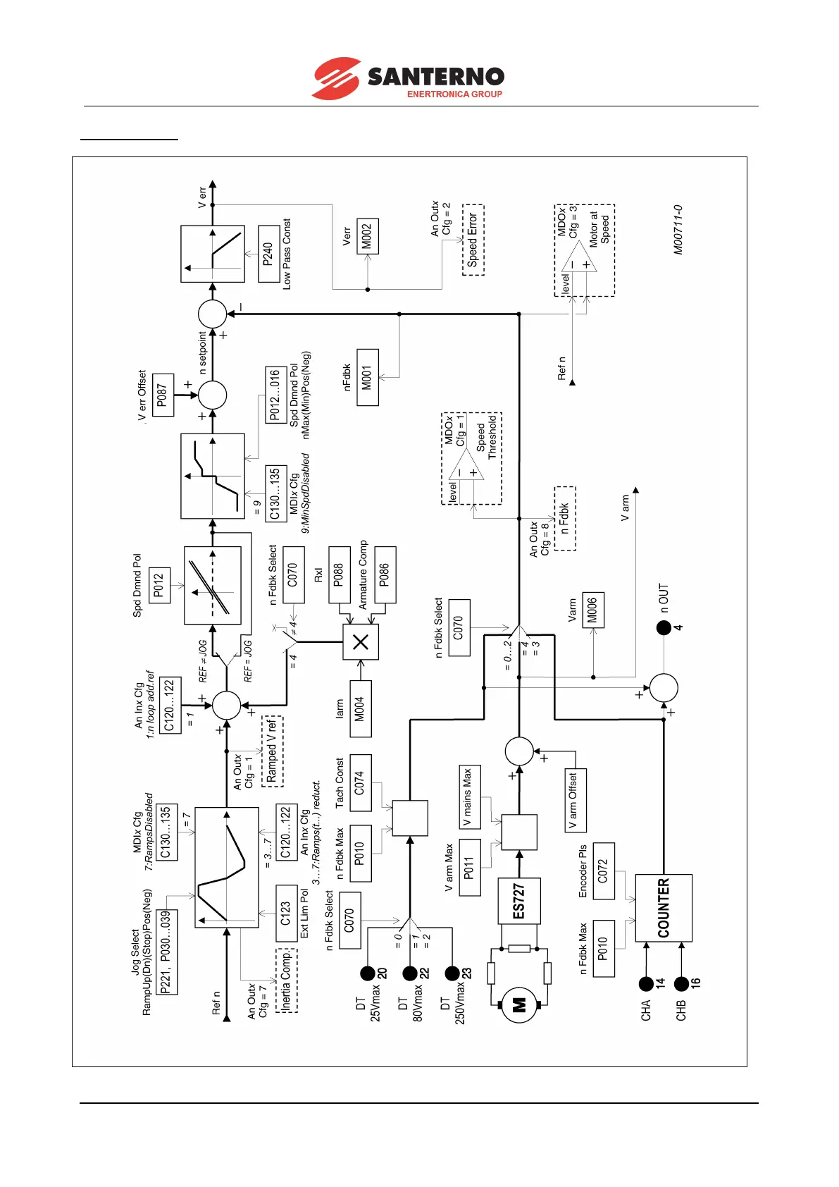
3 - Voltage loop

Table of Contents

Related product manuals