EasyManua.ls Logo

Sanyo PLC-XT25 - Page 100

Sanyo PLC-XT25
152 pages
Print Icon
To Next Page IconTo Next Page
To Next Page IconTo Next Page
To Previous Page IconTo Previous Page
To Previous Page IconTo Previous Page
Loading...
-100-
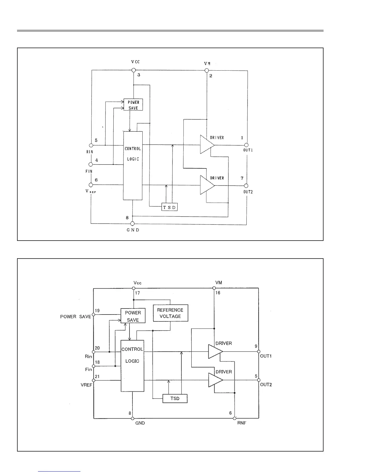
IC Block Diagrams
BA6287 <Motor Drive Focus, Zoom, IC5501, IC5551>
BA6920 <Motor Drive Lens Shift Up/Down, Left/Right, IC6501, IC6531>

Table of Contents

Other manuals for Sanyo PLC-XT25

Related product manuals