EasyManua.ls Logo

Schindler 3300 - Bionic 7 Bus System

Schindler 3300
269 pages
Print Icon
To Next Page IconTo Next Page
To Next Page IconTo Next Page
To Previous Page IconTo Previous Page
To Previous Page IconTo Previous Page
Loading...
Schindler 3100/3300/6300 J 43402603 / 01 83/269
Copyright © 2017 INVENTIO AG
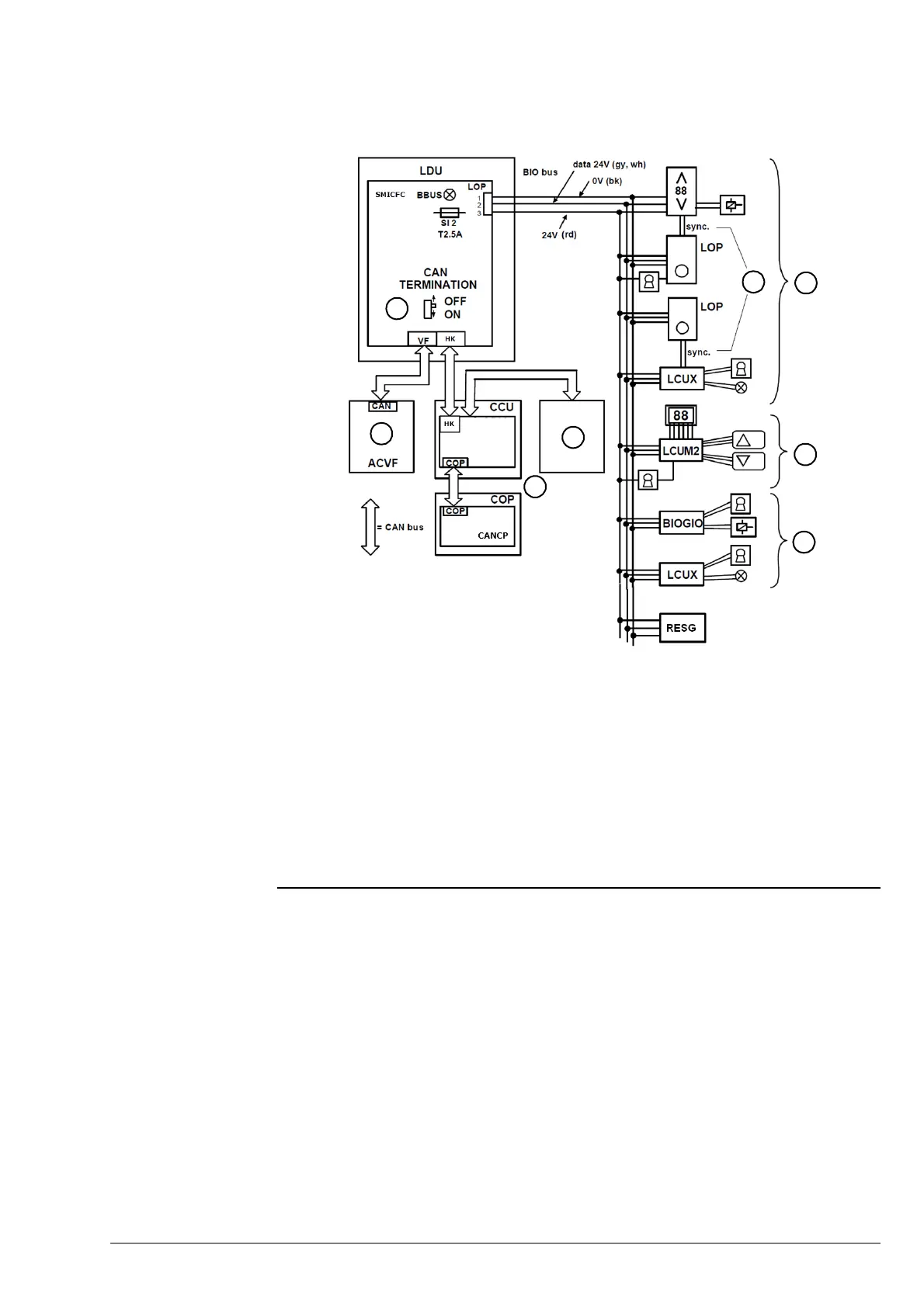
4.9.1.2 Bionic 7 Bus System
If BIC 7, Bus
Systems
Bus System [604639_007; 27.08.2017]
1 CAN bus termination switch on SMICFC
Default position: "OFF". (ACVF and CCU connected
If CCU is not connected, disconnect the travelling cable and set the switch to
"ON". (Bus termination on SMICFC, for example during installation travel mode)
2 CAN bus is terminated automatically in the ACVF
3 CAN bus is terminated automatically on SDIC7x
4 Default fixtures for Bionic 7 (FI GS LOP/LIP/COP with CANCP)
5 Biobus Extension (LCU2 and LCUM2 interfaces)
6 Building interface BIOGIO and machine room located LCUX
7 Synchronization cable XCF is required only in case of LCU teaching
8Varidor V15
LIP
8
4
5
6
7
3
2
1
SDIC7x

Table of Contents

Related product manuals