EasyManua.ls Logo

Seltron ST2 - ST2 R - direct heating circuit pump

Seltron ST2
60 pages
Print Icon
To Next Page IconTo Next Page
To Next Page IconTo Next Page
To Previous Page IconTo Previous Page
To Previous Page IconTo Previous Page
Loading...
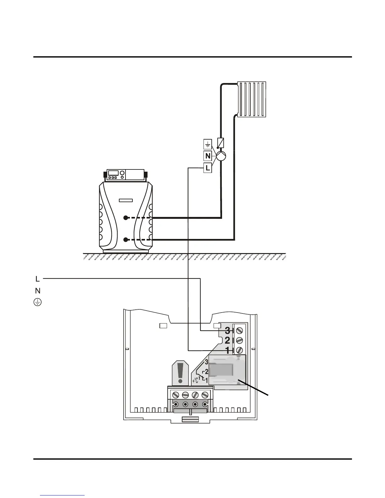
ST2R - direct heating circuit pump
Module R
Picture 31
Parameter S1.1=1.
INSTALLATION MANUAL
35

Table of Contents

Related product manuals