EasyManua.ls Logo

Seltron ST2 - ST2 JV - gas boiler Vaillant

Seltron ST2
60 pages
Print Icon
To Next Page IconTo Next Page
To Next Page IconTo Next Page
To Previous Page IconTo Previous Page
To Previous Page IconTo Previous Page
Loading...
ST2JV - gas boiler Vaillant
INSTALLATION MANUAL
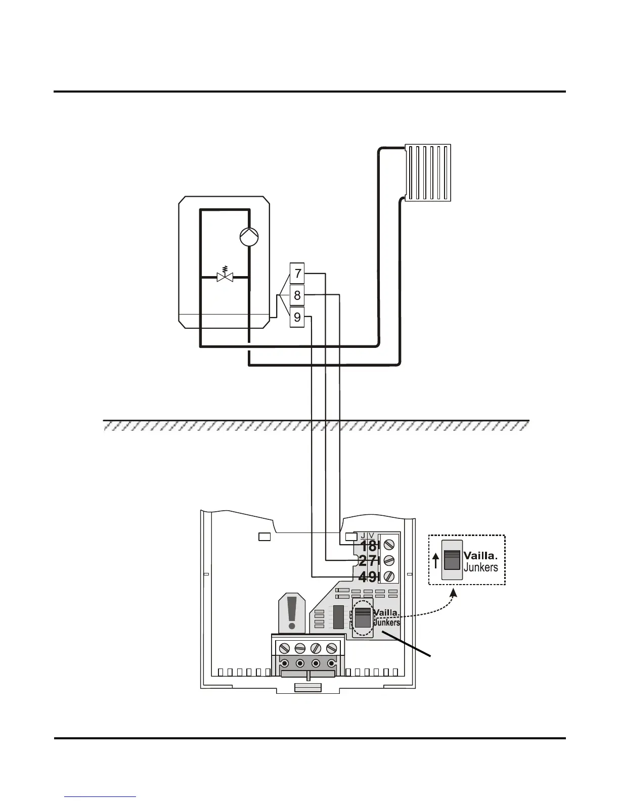
Parameter S1.1=7.
50
Module JV
Picture 44

Table of Contents

Related product manuals