EasyManua.ls Logo

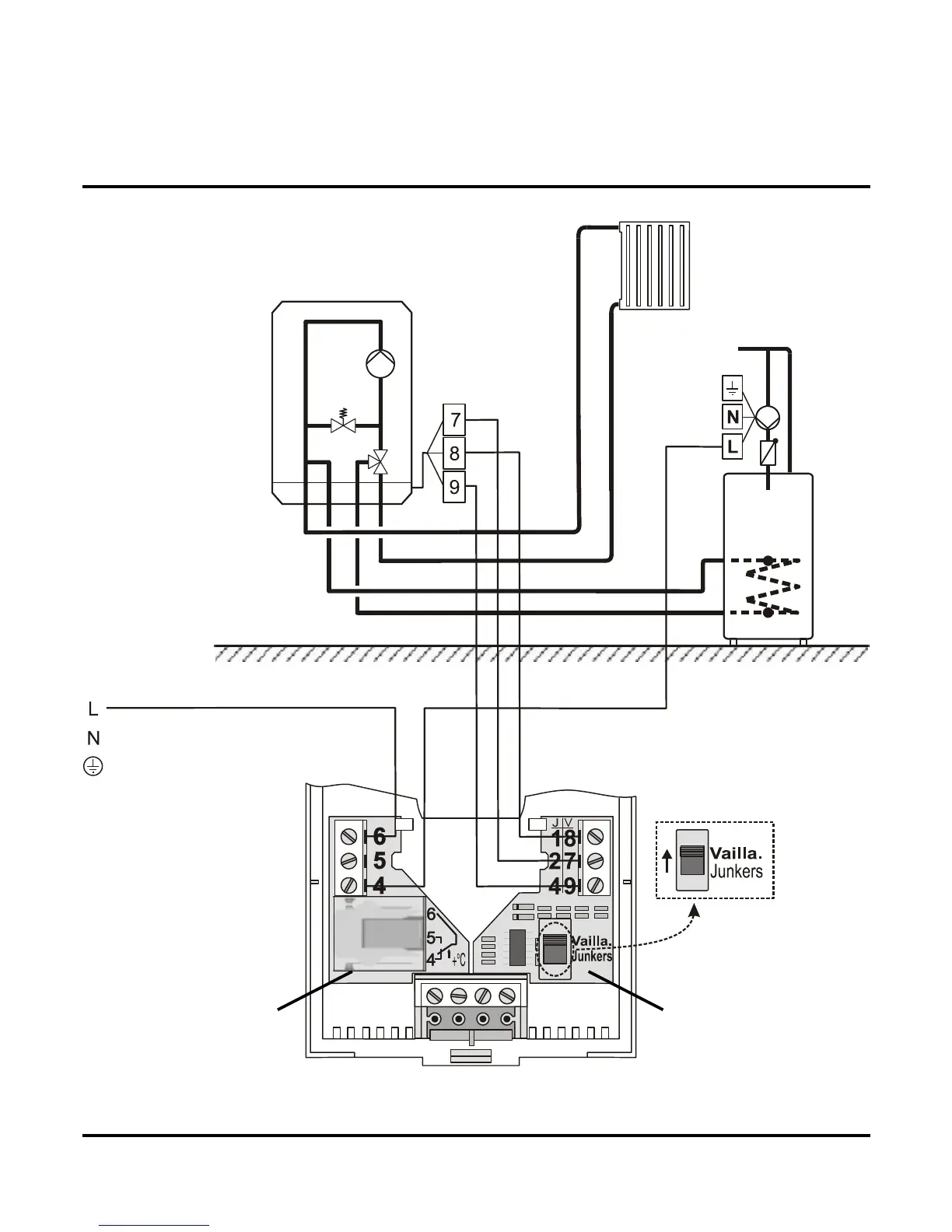
Seltron ST2 - ST2 JVDR - Vaillant gas boiler and domestic hot water circulation

Seltron ST2
60 pages
Print Icon
To Next Page IconTo Next Page
To Next Page IconTo Next Page
To Previous Page IconTo Previous Page
To Previous Page IconTo Previous Page
Loading...
INSTALLATION MANUAL
53
ST2JVDR - Vaillant gas boiler and domestic
hot water circulation
Parameter S1.1=8.
Module JV Module DR
Picture 46

Table of Contents

Related product manuals