EasyManua.ls Logo

Seltron ST2 - ST2 R - heating circuit with mixing valve

Seltron ST2
60 pages
Print Icon
To Next Page IconTo Next Page
To Next Page IconTo Next Page
To Previous Page IconTo Previous Page
To Previous Page IconTo Previous Page
Loading...
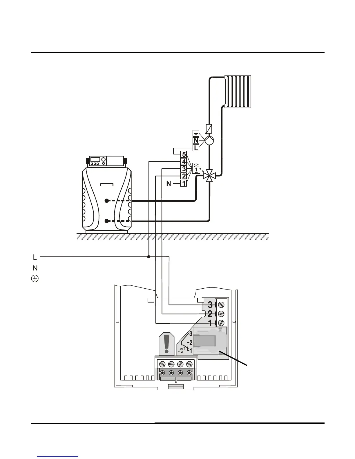
ST2R - heating circuit with mixing valve
Parameter S1.1=1.
Module R
Picture 33
37
INSTALLATION MANUAL

Table of Contents

Related product manuals