EasyManua.ls Logo

Seltron ST2 - ST2 RDR - d. h. w. warming

Seltron ST2
60 pages
Print Icon
To Next Page IconTo Next Page
To Next Page IconTo Next Page
To Previous Page IconTo Previous Page
To Previous Page IconTo Previous Page
Loading...
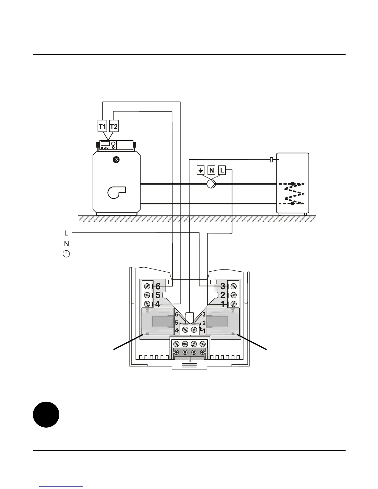
Module R Module DR
ST2RDR - d. h. w. warming
Parameter S1.1=6.
46
INSTALLATION MANUAL
Picture 41
The requested d. h. w. temperature is set between 20 and 80 °C
with the knob on the thermostat.
i

Table of Contents

Related product manuals