EasyManua.ls Logo

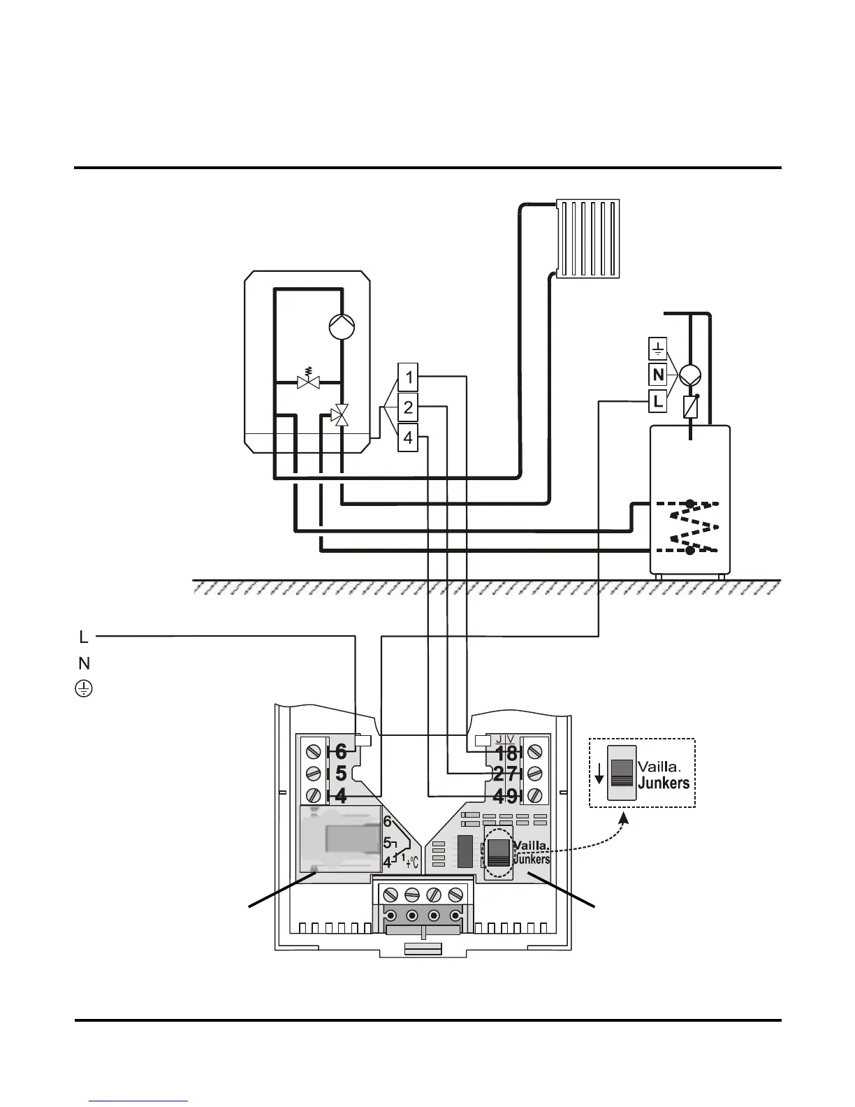
Seltron ST2 - ST2 JVDR - Junkers gas boiler and domestic hot water circulation

Seltron ST2
60 pages
Print Icon
To Next Page IconTo Next Page
To Next Page IconTo Next Page
To Previous Page IconTo Previous Page
To Previous Page IconTo Previous Page
Loading...
INSTALLATION MANUAL
52
ST2JVDR - Junkers gas boiler and domestic
hot water circulation
Parameter S1.1=8.
Module JV Module DR
Picture 45

Table of Contents

Related product manuals