EasyManua.ls Logo

Seltron ST2 - ST2 RDR - direct heating circuit and cooling

Seltron ST2
60 pages
Print Icon
To Next Page IconTo Next Page
To Next Page IconTo Next Page
To Previous Page IconTo Previous Page
To Previous Page IconTo Previous Page
Loading...
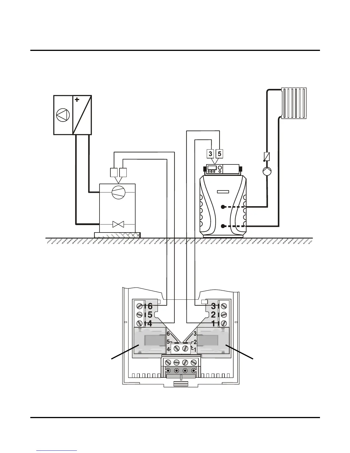
ST2RDR - direct heating circuit and cooling
Parameter S1.1=9.
Module R Module DR
Picture 42
INSTALLATION MANUAL
47

Table of Contents

Related product manuals