EasyManua.ls Logo

Seltron ST2 - ST2 R - electric floor heating

Seltron ST2
60 pages
Print Icon
To Next Page IconTo Next Page
To Next Page IconTo Next Page
To Previous Page IconTo Previous Page
To Previous Page IconTo Previous Page
Loading...
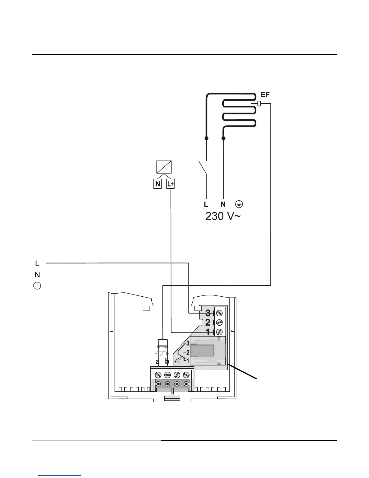
ST2R - electric floor heating
Parameter S1.1=5.
Module R
Picture 35
39
INSTALLATION MANUAL

Table of Contents

Related product manuals