EasyManua.ls Logo

Seltron ST2 - ST2 R - gas boiler

Seltron ST2
60 pages
Print Icon
To Next Page IconTo Next Page
To Next Page IconTo Next Page
To Previous Page IconTo Previous Page
To Previous Page IconTo Previous Page
Loading...
ST2R - gas boiler
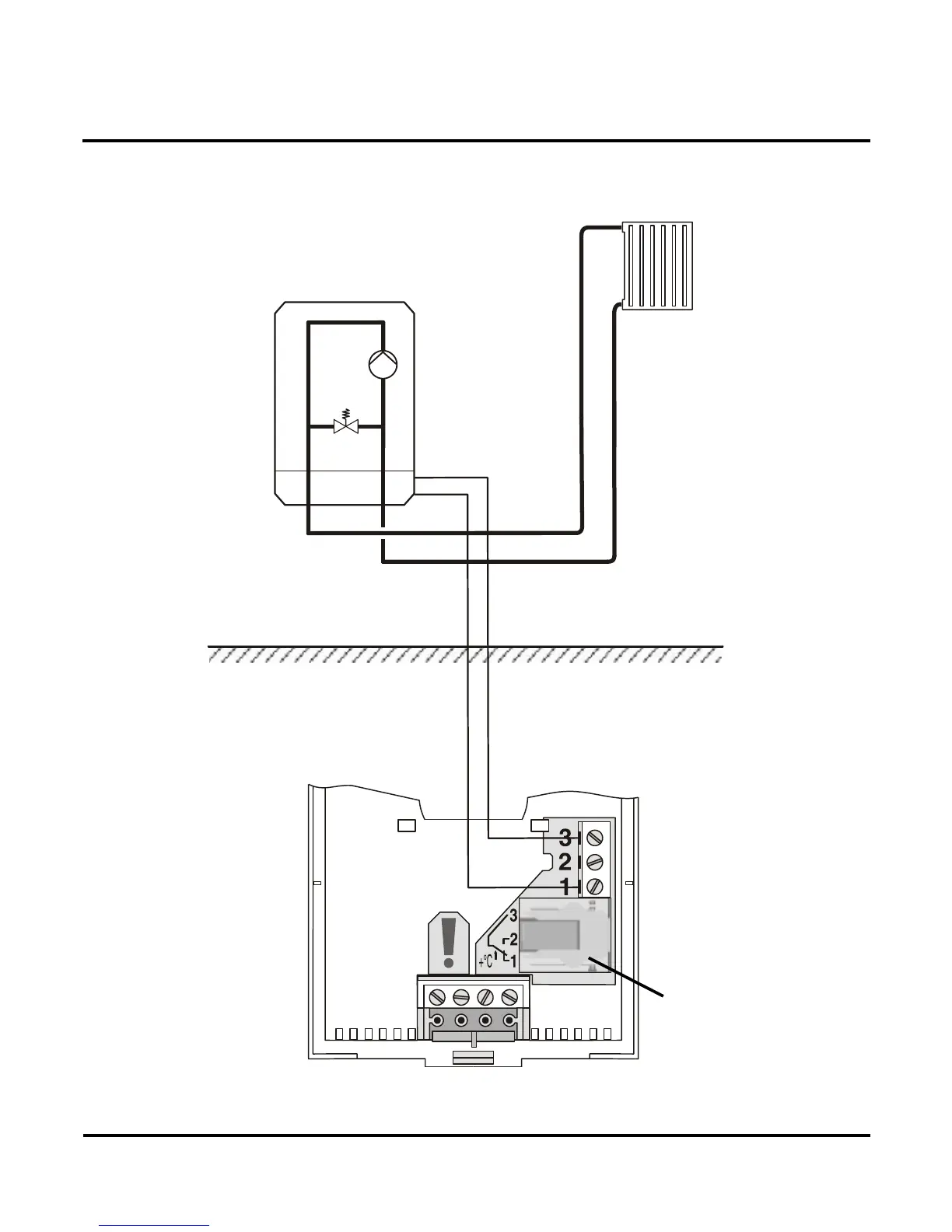
Parameter S1.1=1.
Module R
Picture 34
INSTALLATION MANUAL
38

Table of Contents

Related product manuals