EasyManua.ls Logo

Seltron ST2 - ST2 R - domestic hot water warming

Seltron ST2
60 pages
Print Icon
To Next Page IconTo Next Page
To Next Page IconTo Next Page
To Previous Page IconTo Previous Page
To Previous Page IconTo Previous Page
Loading...
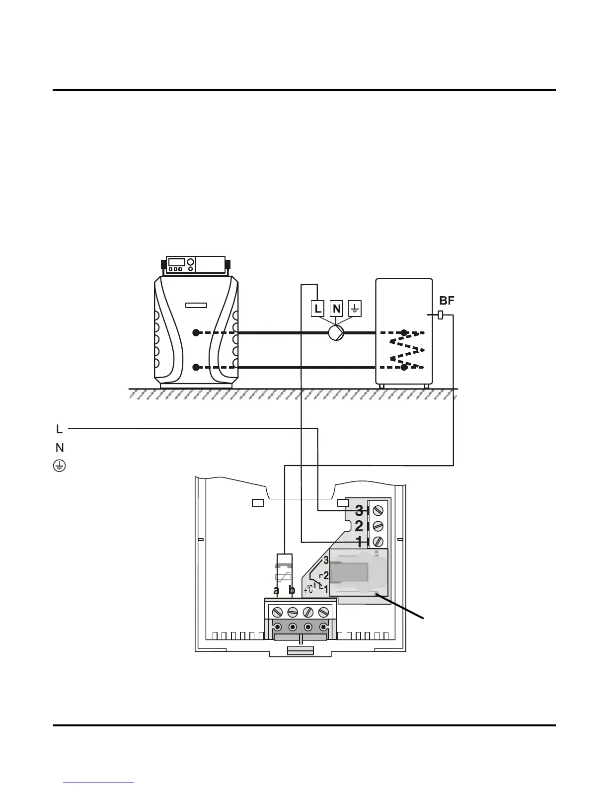
ST2R - domestic hot water warming
Parameter S1.1=6.
Module R
Picture 36
INSTALLATION MANUAL
40

Table of Contents

Related product manuals