EasyManua.ls Logo

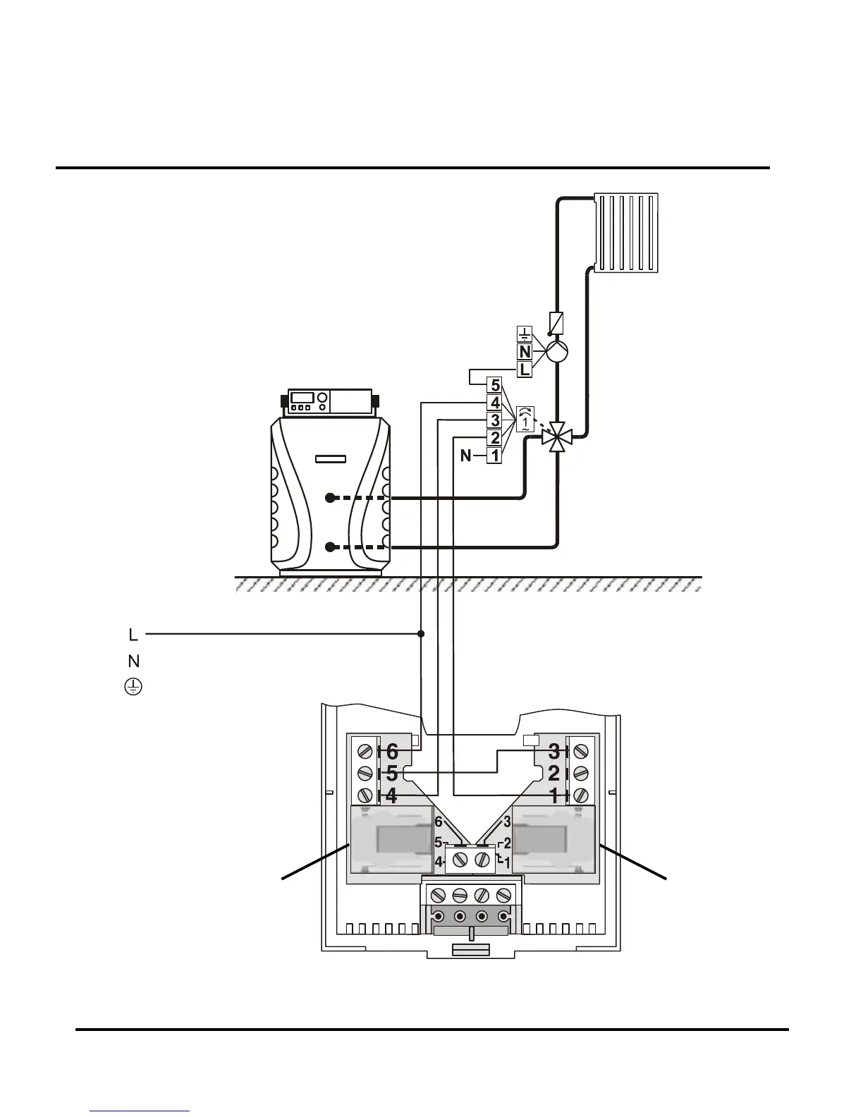
Seltron ST2 - ST2 RDR - indirect heating circuit (3 point control)

Seltron ST2
60 pages
Print Icon
To Next Page IconTo Next Page
To Next Page IconTo Next Page
To Previous Page IconTo Previous Page
To Previous Page IconTo Previous Page
Loading...
INSTALLATION MANUAL
44
ST2RDR - indirect heating circuit (3 point
control)
Parameter S1.1=3.
Picture 39
Modul R
Modul DR

Table of Contents

Related product manuals