EasyManua.ls Logo

SICE S 63 E - Pneumatic Diagram

SICE S 63 E
Print Icon
To Next Page IconTo Next Page
To Next Page IconTo Next Page
To Previous Page IconTo Previous Page
To Previous Page IconTo Previous Page
Loading...
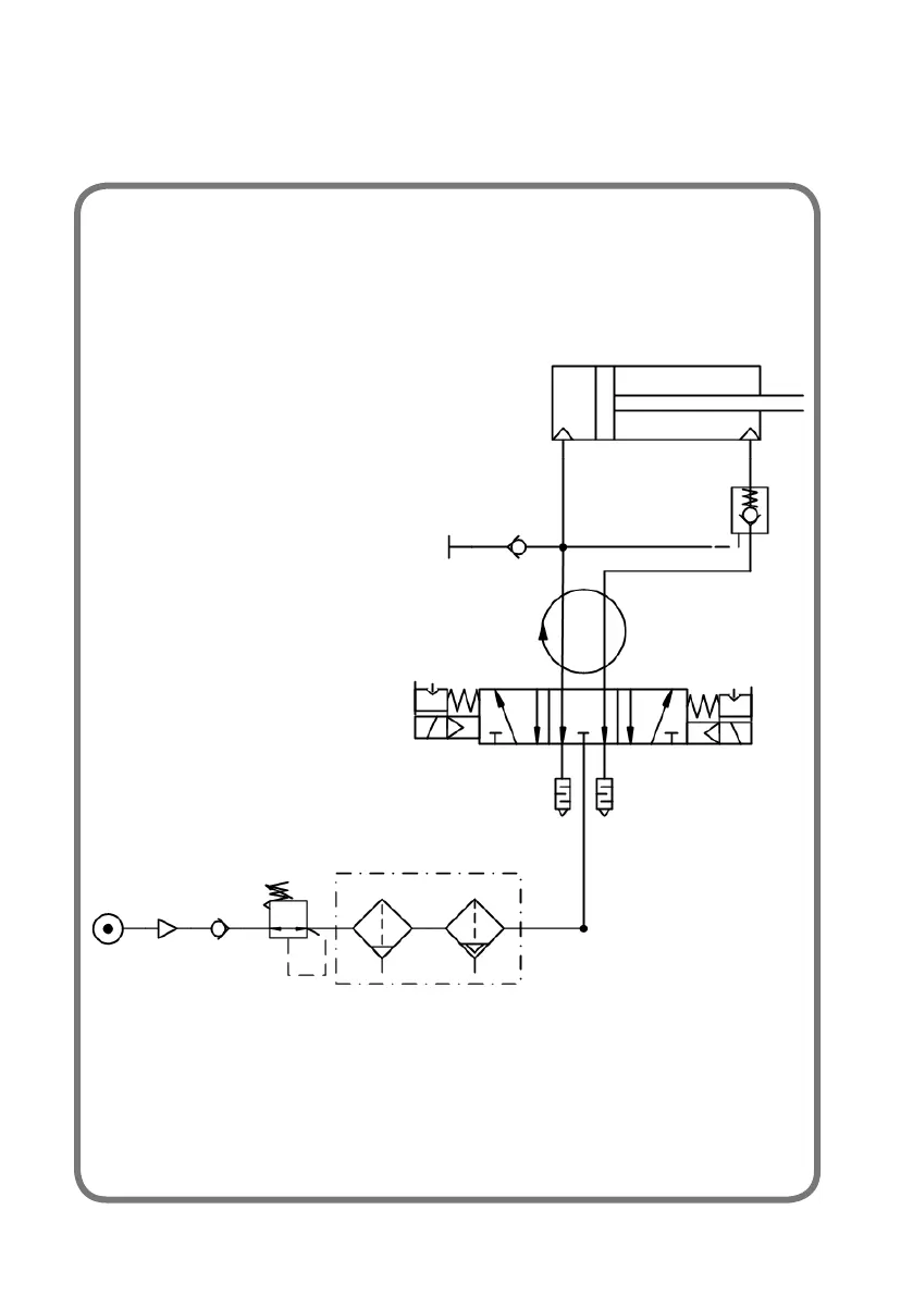
140 S 63 E - S 63 E C Operator's Manual
PNEUMATIC DIAGRAM
Air supply: 7-10 bar (100-145 psi)

Table of Contents

Related product manuals