EasyManua.ls Logo

SICE S 63 E - Schéma Pneumatique

SICE S 63 E
Print Icon
To Next Page IconTo Next Page
To Next Page IconTo Next Page
To Previous Page IconTo Previous Page
To Previous Page IconTo Previous Page
Loading...
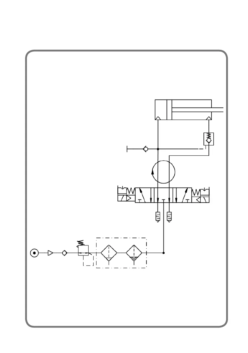
Manuel d’utilisation S 63 E - S 63 E C 209
SCHÉMA PNEUMATIQUE
Alimentation air 7÷10 bar (100-145 psi)

Table of Contents

Related product manuals