EasyManua.ls Logo

SICE S 63 E - Esquema Neumático

SICE S 63 E
Print Icon
To Next Page IconTo Next Page
To Next Page IconTo Next Page
To Previous Page IconTo Previous Page
To Previous Page IconTo Previous Page
Loading...
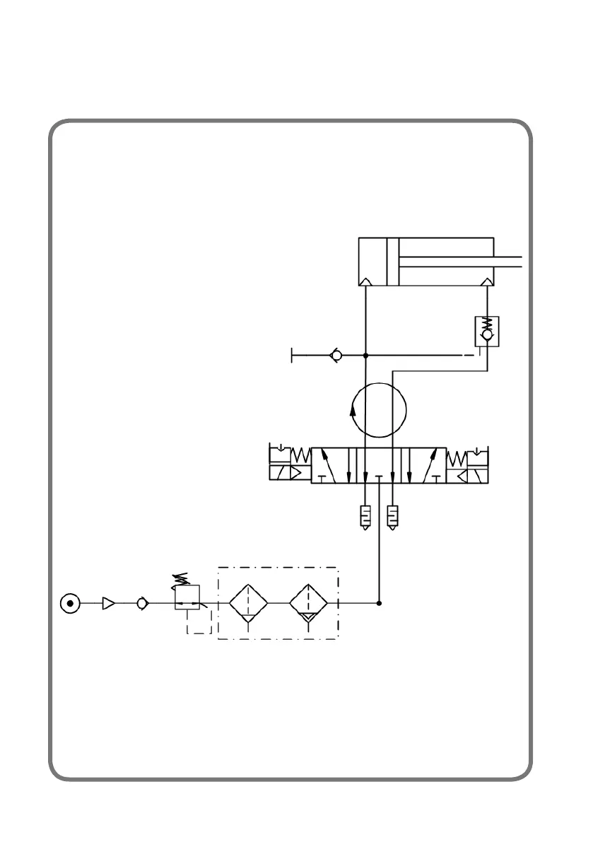
352 S 63 E - S 63 E C Manual de uso
ESQUEMA NEUMÁTICO
Alimentación Aire: 7÷10 bar (100-145 psi)

Table of Contents

Related product manuals