Home
Siemens
Engine
SIMOTICS Series
Hardware Installation Manual
Page 196 (1 Fe218.-8)
Siemens SIMOTICS Series - 1 Fe218.-8
214 pages
Manual
To Next Page
To Next Page
To Previous Page
To Previous Page
Loading...
Dimensio
nal draw
ings
12.1
Mot
ors in sy
nchron
ous v
ersion
SIMOTIC
S M
-
1FE
2 built
-
in m
ot
or
s
194
Hardware Inst
allation Manual
,
04/2020
,
A5E50074509B AA
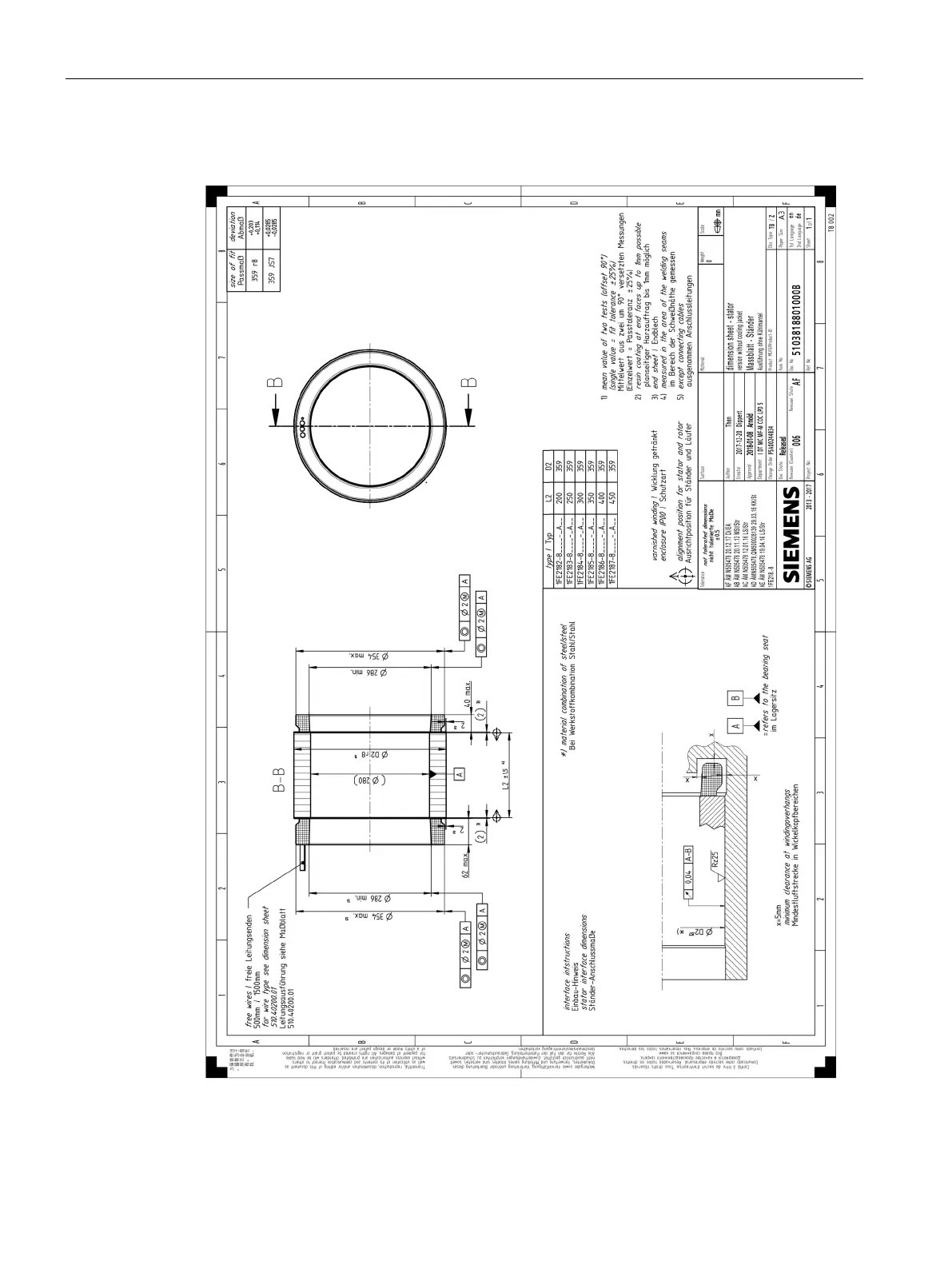
12.1.3
1FE218.
-
8....
-
.A
..
Figure
12
-3
1FE218
☐
stato
r wi
thou
t coo
ling
jac
ket
195
197
Table of Contents
Main Page
Default Chapter
5
Introduction
5
Table of Contents
9
1 Fundamental Safety Instructions
13
General Safety Instructions
13
Equipment Damage Due to Electric Fields or Electrostatic Discharge
18
Security Information
19
Residual Risks of Power Drive Systems
20
2 Special Safety Notices for Handling Built-In Motors
21
3 Description
23
Correct and Intended Use
23
Overview of the Motors
25
Technical Features and System Requirements for Built-In Motors
27
Directives and Standards
27
Technical Features and Ambient Conditions
29
Structure and Characteristics of the Synchronous Version
30
Design and Characteristics of the Asynchronous Versions 1FE2
33
Features, Properties, and System Preconditions
34
Version and Operating Modes of the Motor in the Synchronous Version
40
Operation on a Power Section
43
Operation on Two Power Sections
44
Conversion of the Converter Setting Data
45
Version and Operating Modes of the Motor in the Asynchronous Version
50
Rating Plate Data
54
Rating Plate Details (Type Plate) of 1FE2 in Synchronous Version
54
Rating Plate Details (Type Plate) of 1FE2 in Asynchronous Version, Star Connection
55
Rating Plate Details (Type Plate) of 1FE2 in Asynchronous Version, Star-Delta Connection
56
Structure of the Article no
57
4 Motor Components, Characteristics and Options
59
Thermal Motor Protection
59
Thermal Motor Protection with Temperature Sensors (Standard Protection)
60
Temperature Evaluation Using the PTC Thermistor Triplet (Full Motor Protection)
62
Temperature Evaluation Using NTC Thermistors (Universal Protection, Option)
63
Cooling
65
Safety Instructions
65
Cooling Circuit
67
Configuring the Cooling Circuit
69
Volume Flow and Pressure Drop
70
Cooling Powers to be Dissipated (Power Loss)
72
Calculation of the Cooling Power to be Dissipated (Power Loss)
73
Coolant
75
Commissioning the Cooling Circuit
77
Encoder System
78
5 Preparing for Use
79
Safety Instructions for Electromagnetic and Permanent-Magnetic Fields
79
Shipping and Packaging
82
Transportation and Storage
85
6 Mechanical Mounting
89
Safety Instructions
89
Installation Requirements
92
Installing/Removing the Rotor
93
Overview of Installation Methods for the Rotors
93
Tools and Resources
94
Mounting Preparations
98
Mounting the Rotor
100
Compensating Mechanical Stresses and Deformations of the Spindle Shaft
103
Balancing of Rotors in Synchronous Version
107
Balancing of Rotors in Asynchronous Version
112
Removing the Rotor Core with Sleeve
113
Installing the Stator in the Spindle Housing
116
Flow Chart for the Stator Installation
116
Mounting the Stator Without Cooling Jacket
117
Production Equipment, Assembly Tools and Other Resources
117
Mounting the Stator Without Cooling Jacket
118
Mounting the Stator with Cooling Jacket
121
Production Equipment, Assembly Tools and Other Resources
121
Preparation for Installation
122
Mounting the Stator with Cooling Jacket in the Stator Housing
124
Mounting the Motor Spindle
129
Preparation
129
Acting Magnetic Forces
129
Mounting the Motor Spindle
130
Setting up the Motor Spindle
134
Permissible Motor Vibrations
135
7 Connection
137
Connecting the Cooling
137
Warning of the Consequences of Unqualified Work
137
Safety Instructions
138
Connecting the Watercooling System
140
Electrical Connection
141
Safety Information
141
High-Voltage Test
141
Electrical Equipment
142
Notes on Electrical Connection
142
Notes on Choosing the Connecting Leads
143
Cable Cross-Section, Cable Outer Diameter and Cable Variant for Synchronous Versions
144
Versions
146
Information on Cable Routing
147
Connecting the Synchronous Version
148
Overview of Connections with One Power Unit
148
Overview of Connections with Two Power Units
152
Voltage Limitation (Only Applicable for Synchronous Versions)
155
Connecting the Asynchronous Version
155
Connection Assignment of the Encoder
161
Recommended Grounding
161
Signal Connection and Motor Protection
162
8 Commissioning
167
Manufacturer Declaration
167
Safety Instructions
167
Checklist Prior to Commissioning
170
Test the Insulation Resistance
173
Commutation Angle and Pole Position Identification
175
Determining the Commutation Angle (Applies Only to Synchronous Version)
175
Commissioning the Cooling Circuit
177
Switching on and Switching off
178
9 Operation
179
Safety Instructions
179
Operation
181
Faults and How to Resolve Them
182
Stoppages
184
10 Service and Maintenance
185
Additional Maintenance Notice
185
11 Decommissioning and Disposal
187
Safety Instructions
187
Decommissioning
188
Preparing for Dismantling
188
Disassembling the Motor
189
Disposal
190
Guidelines for Disposal
190
Disposal of Rotors in Synchronous Version
191
Disposal of Packaging
191
12 Dimensional Drawings
193
Motors in Synchronous Version
194
1Fe218.-8
194
1Fe218.-8
195
1Fe218.-8
196
1Fe218.-8
197
1Fe218.-8
198
1Fe218.-8L
199
Motors in Asynchronous Version
200
1Fe209.-8
200
1Fe209.-8C
201
1Fe209.-8A
202
1Fe214.-8C
203
1Fe214.-8C
204
Dimension Drawing, Cable Version
205
13 Spare Parts
207
List of Abbreviations
209
Index
211
Other manuals for Siemens SIMOTICS Series
Compact Operating Instructions
26 pages
Related product manuals
Siemens SIMOTICS 1LE
166 pages
Siemens SIMOTICS 1LA
166 pages
Siemens SIMOTICS HV M
136 pages
Siemens SIMOTICS HV C
156 pages
Siemens SIMOTICS M-1PH8
198 pages
Siemens SIMOTICS T-1FW3
354 pages
Siemens SIMOTICS S-1FT7
408 pages
Siemens SIMOTICS DC 1GG6
154 pages
Siemens SIMOTICS XP 1LA5
75 pages
Siemens SIMOTICS XP 1LG6
75 pages
Siemens SIMOTICS DC 1GG5
134 pages
Siemens SIMOTICS XP Series
170 pages