EasyManua.ls Logo

Skyjack SJKB-40-D - Page 36

Skyjack SJKB-40-D
213 pages
Print Icon
To Next Page IconTo Next Page
To Next Page IconTo Next Page
To Previous Page IconTo Previous Page
To Previous Page IconTo Previous Page
Loading...
SJKB-40-D, SJKB-40-D/F SECTION 3, Page 13
JUN. 1999
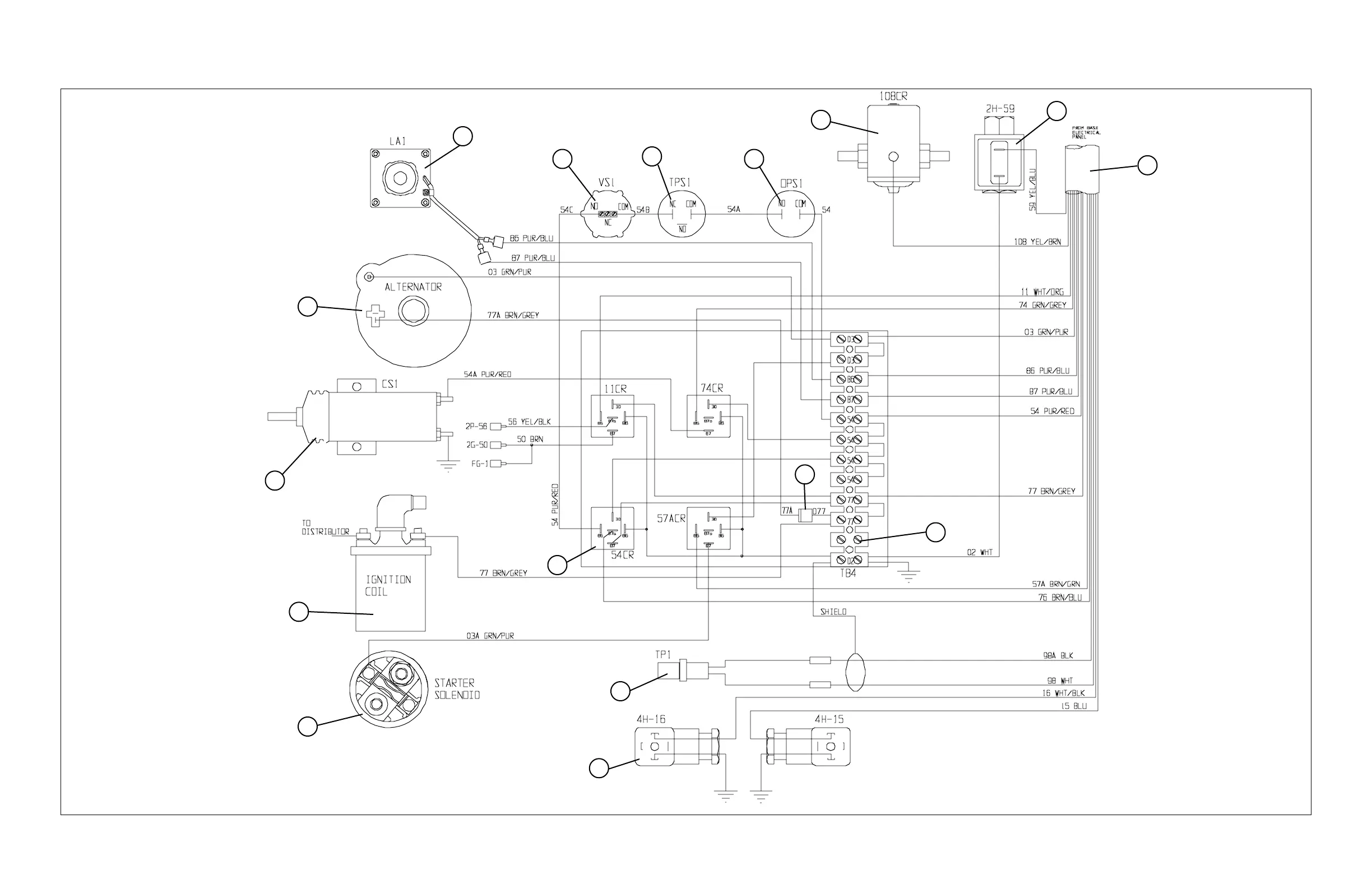
FIGURE 3-5. ENGINE WIRING DIAGRAM (Kubota gas and Dual Fuel)
16
15
14
13
12
11
10
9
8
7
6
5
4
3
2
1
MA40-302

Table of Contents

Other manuals for Skyjack SJKB-40-D

Related product manuals