EasyManua.ls Logo

Skyjack SJKB-40-D - Page 37

Skyjack SJKB-40-D
213 pages
Print Icon
To Next Page IconTo Next Page
To Next Page IconTo Next Page
To Previous Page IconTo Previous Page
To Previous Page IconTo Previous Page
Loading...
SJKB-40-D, SJKB-40-D/FSECTION 3, Page 14 JUN. 1999
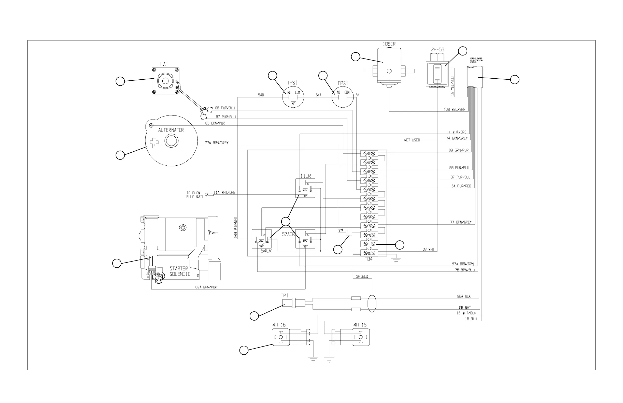
FIGURE 3-6. ENGINE WIRING DIAGRAM (Diesel)
13
12
11
10
9
8
7
6
5 4
3
2
1
MA40-303

Table of Contents

Other manuals for Skyjack SJKB-40-D

Related product manuals