EasyManua.ls Logo

SnowEx RDV V-Plow - Hydraulic Fitting and Hose Installation

SnowEx RDV V-Plow
84 pages
Print Icon
To Next Page IconTo Next Page
To Next Page IconTo Next Page
To Previous Page IconTo Previous Page
To Previous Page IconTo Previous Page
Loading...
Lit. No. 30118, Rev. 00 June 15, 2020
18
HYDRAULIC SYSTEM
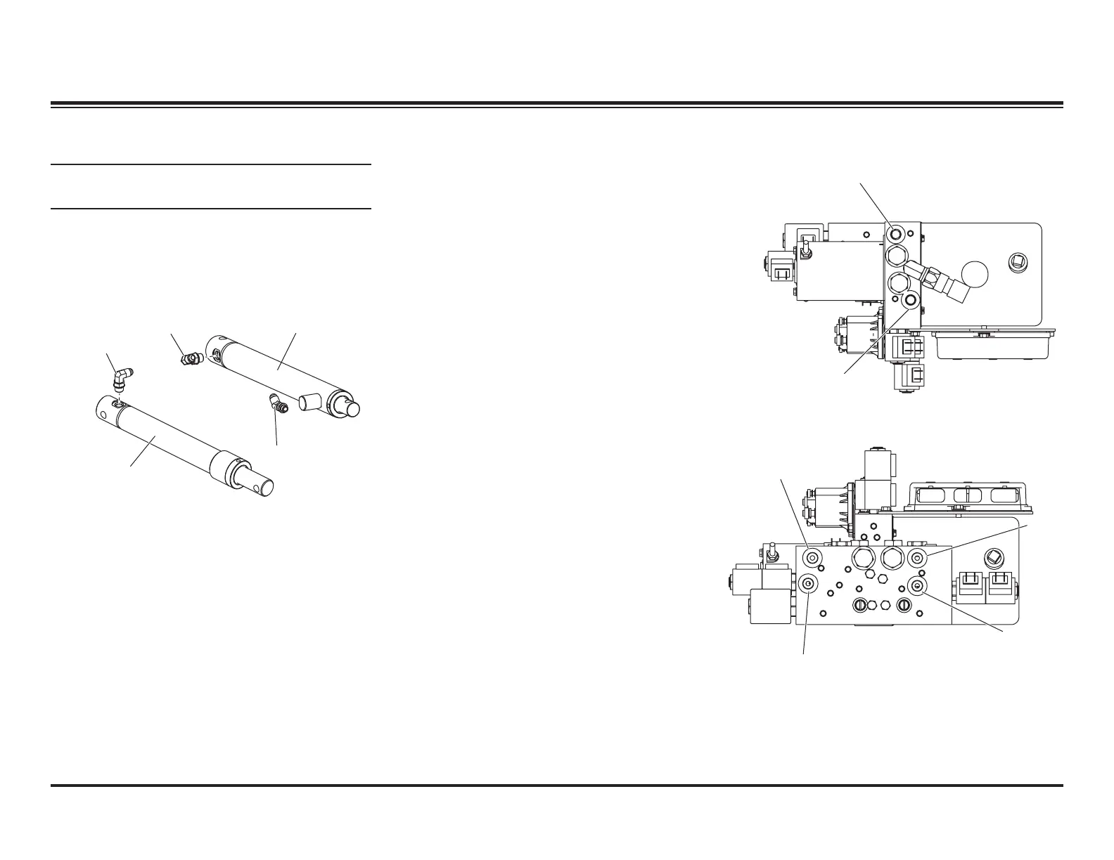
NOTE: Overtightening JIC hose tting ends will
result in a fractured tting.
DO NOT use thread sealant/tape on hydraulic
hoses or ttings. These materials could damage
the product. Always use two wrenches to ensure
proper tightening of ttings and hoses.
To install SAE O-ring ttings in the valve block
and rams:
1. Turn the jam nut on the tting as far back as
possible.
2. Lubricate the O-ring with clean hydraulic uid.
3. Screw the tting into the port by hand until the
washer contacts the port face and the shoulder
of the jam nut threads.
4. Unscrew the tting to its proper position; no
more than one full turn.
5. Using two wrenches, hold the tting body
in position and tighten the jam nut until the
washer again contacts port face, then tighten
an additional 1/8 to 1/4 turn to lock the tting
in place. Final torque on the jam nut should be
approximately 20 ft-lb.
To install hydraulic hoses:
1. Screw the are nut onto the tting are and
hand tighten it.
2. Align the hose so that there are no twists or
sharp bends and so that it will not be pinched
or pulled by moving parts.
3. Using a pair of adjustable pliers, hold the
hose in position, and use a wrench to tighten
the are nut 1/8 to 1/4 turn beyond hand
tight. Final torque on the are nut should be
approximately 20 ft-lb.
4. Reinstall any protective hose wraps in their
original positions.
HYDRAULIC FITTING AND HOSE INSTALLATION
Lift Ram Base
Lift Ram Rod
Left (DS) Base
Right Rod
Right
(PS)
Base
Lift Rod
Angle Ram
90º Elbow
90º Elbow
–4 Elbow
Lift Ram

Table of Contents