EasyManua.ls Logo

SnowEx RDV V-Plow - Left (DS) Wing Retract

SnowEx RDV V-Plow
84 pages
Print Icon
To Next Page IconTo Next Page
To Next Page IconTo Next Page
To Previous Page IconTo Previous Page
To Previous Page IconTo Previous Page
Loading...
Lit. No. 30118, Rev. 00 June 15, 2020
53
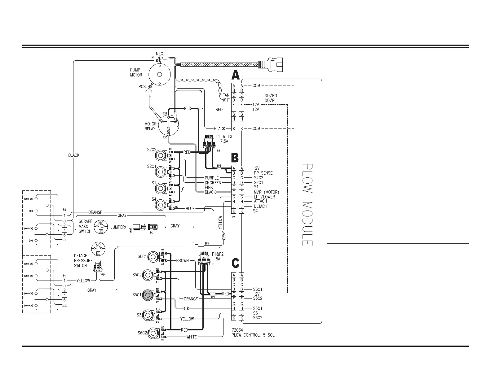
LEFT (DS) WING RETRACT – ELECTRICAL
System Response
1. Verify that the POWER switch is in the plow
position.
2. By activating the Left Wing Retract function on
the cab control, the control sends a signal to
the plow module to complete the ground path
for the electrical circuit, activating the motor
relay and solenoid cartridge valve S5C1.
3. Pressure within the hydraulic circuit causes the
PC1 pilot operated check valve to open.
4. Hydraulic uid from the pump ows through
the activated S5C1 into the rod end of the
driver-side ram, causing it to retract, hydraulic
uid ows through the open pilot operated
check valve PC1 and back through the
activated S5C1 to the reservoir.
NOTE: Battery voltage is supplied to the
plow module, motor relay and the 9 solenoid
coils when the snowplow is connected to the
vehicle.

Table of Contents