EasyManua.ls Logo

SnowEx RDV V-Plow - Compact (Scoop)

SnowEx RDV V-Plow
84 pages
Print Icon
To Next Page IconTo Next Page
To Next Page IconTo Next Page
To Previous Page IconTo Previous Page
To Previous Page IconTo Previous Page
Loading...
Lit. No. 30118, Rev. 00 June 15, 2020
45
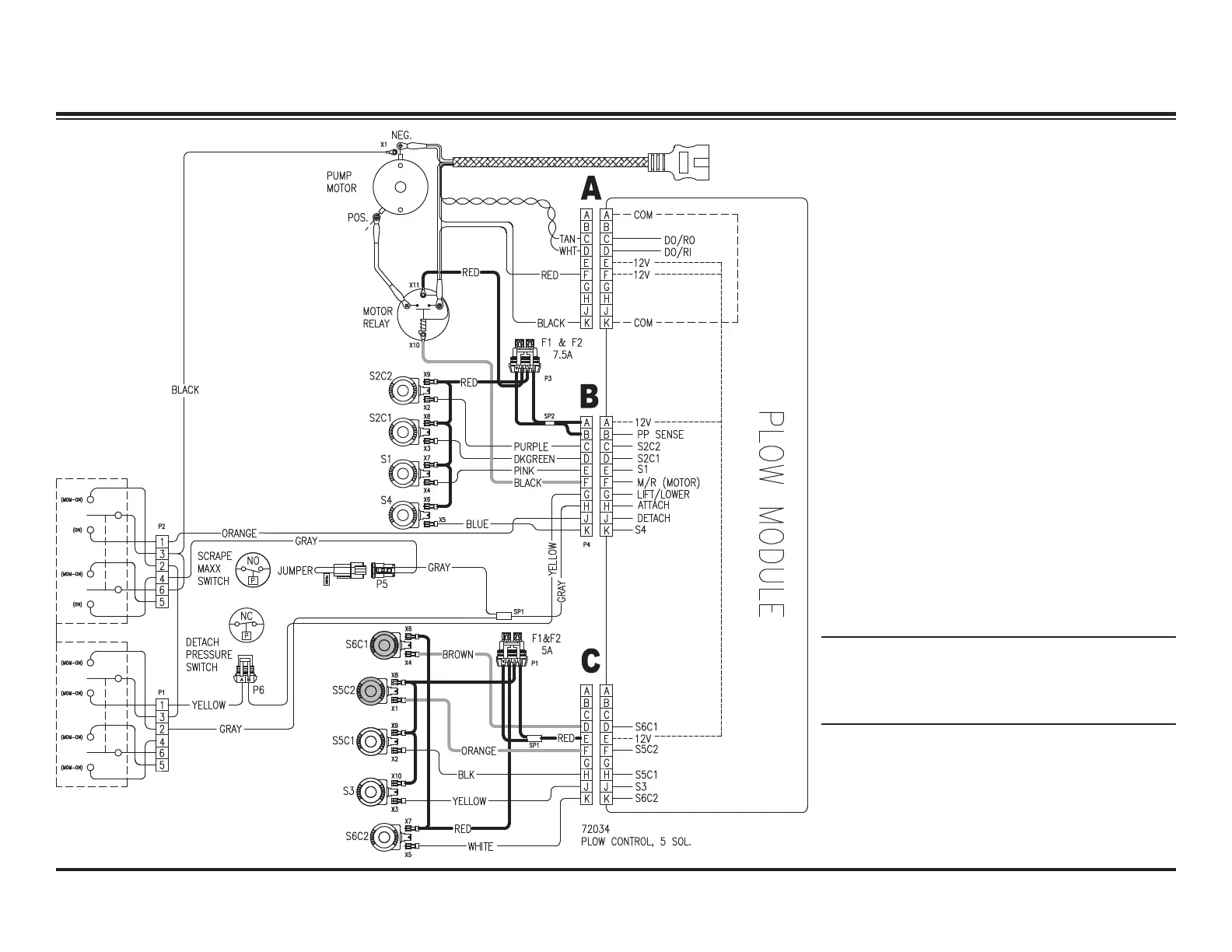
COMPACT (SCOOP) – ELECTRICAL
System Response
1. Verify that the POWER switch is in the low
position.
2. By activating the COMPACT (scoop) function
on the cab control, the control sends a signal
to the plow module to complete the ground
path for the electrical circuit, activating the
motor relay and solenoid cartridge valves
S5C2 and S6C1.
3. Hydraulic uid from the pump ows through the
activated S5C2, through the S3 (driver-side)
ram and S6C1 cartridge valve (passenger-side)
then through pilot operated check valves PC1
and PC2 into the base end of both angle rams,
causing the rams to extend.
4. The extending driver-side ram pushes
hydraulic uid out of the rod end and back
through the activated S5C2 to the reservoir.
5. The extending passenger-side ram pushes
hydraulic uid out of the rod end and back
through the activated S6C1 to the reservoir.
NOTE: Battery voltage is supplied to the
plow module, motor relay and the 9 solenoid
coils when the snowplow is connected to the
vehicle.

Table of Contents