EasyManua.ls Logo

SnowEx RDV V-Plow - Detach

SnowEx RDV V-Plow
84 pages
Print Icon
To Next Page IconTo Next Page
To Next Page IconTo Next Page
To Previous Page IconTo Previous Page
To Previous Page IconTo Previous Page
Loading...
Lit. No. 30118, Rev. 00 June 15, 2020
58
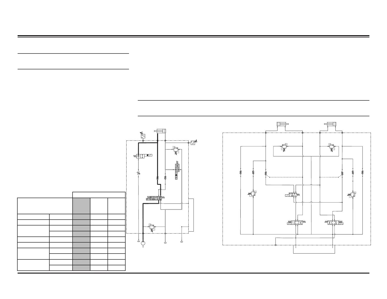
DETACHHYDRAULIC
PRIMARY MANIFOLD
SECONDARY MANIFOLD
LIFT RAM
RAISE
LOWER
RV2
S4
RV1
LEFT BASE LEFT ROD
RV3
RV5
CV4 CV1
PC1
RV4
RV6
PC2
CV2 CV3
S3
SV5
S5C2 S5C1
S6
S6C1
S6C2
CV5
INTERFACE
INTERFACE
T
PUMP
TANK
S1
CV6
S2
SV4
RIGHT ROD RIGHT BASE
System Response
NOTE: Read instructions for complete
detachment.
1. Control must be connected and turned OFF.
2. With electrical harness connected. Move the
POWER switch (top switch) to center or OFF
position (ON, OFF, MOM-ON).
3. Push and hold the POWER switch to the
RIGHT, this sends ground to the ATTACH/
DETACH switch (MOM-ON, OFF, MOM-ON).
By holding this switch to the LEFT, ground
is sent down the YELLOW wire to the plow
module port B. The module then completes
the ground path to the motor relay and
solenoid cartridge valves S2C1 and S4.
4. Hydraulic uid from the pump ows through the
activated S2C1 cartridge valve, through CV6 into
the rod end of the lift ram, causing the ram to
retract.
5. The retracting ram pushes hydraulic uid out
of the base end of the cylinder through the
activated S4 cartridge valve and back into the
reservoir.
6. Retracting the cylinder moves the headgear
forward, dropping the stand. Once the stand
contacts the ground and hydraulic pressure
reaches 550 psi at the rod end of the lift
cylinder, pressure switch (PSW1) will open the
electrical circuit, turning the hydraulic unit OFF.
NOTE: Battery voltage is supplied to the plow module, motor relay, and the 9 solenoid coils when
the snowplow is connected to the vehicle.
BLADE MOVEMENT
Solenoid
ATTACH DETACH
Scrape
Maxx
FEATURE
(OPT)
Motor M ON ON ON
SV08-2211 S1 ON ON
SV08-47D
S2C1 ON
S2C2 ON
SV10-43 S3
SV08-2211 S4 ON
SV08-47C
S5C1
S5C2
SV08-47C
S6C1
S6C2

Table of Contents