EasyManua.ls Logo

SnowEx RDV V-Plow - Striking an Object While Plowing Forward

SnowEx RDV V-Plow
84 pages
Print Icon
To Next Page IconTo Next Page
To Next Page IconTo Next Page
To Previous Page IconTo Previous Page
To Previous Page IconTo Previous Page
Loading...
Lit. No. 30118, Rev. 00 June 15, 2020
56
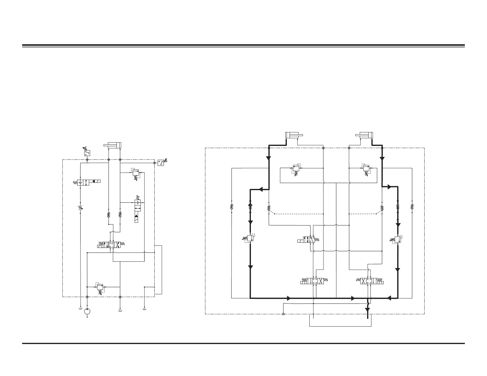
STRIKING AN OBJECT WHILE PLOWING FORWARD – HYDRAULIC
System Response
1. Hydraulic uid is trapped in the base end of
the driver-side ram by the CV4 check valve,
RV5 relief valve, and PC1 pilot-operated
check valve.
2. Hydraulic uid is trapped in the base end of
the passenger-side ram by the CV3 check
valve, RV6 relief valve, and PC2 pilot-operated
check valve.
PRIMARY MANIFOLD
SECONDARY MANIFOLD
LIFT RAM
RAISE
LOWER
RV2
S4
RV1
LEFT BASE LEFT ROD
RV3
RV5
CV4 CV1
PC1
RV4
RV6
PC2
CV2 CV3
S3
SV5
S5C2 S5C1
S6
S6C1
S6C2
CV5
INTERFACE
INTERFACE
T
PUMP
TANK
S1
CV6
S2
SV4
RIGHT ROD RIGHT BASE
3. When the snowplow contacts an object while
plowing, the force of the impact increases
hydraulic pressure in the base end of the ram.
When the pressure exceeds 3000 psi, the
ram's base-end relief valve opens (RV5 on the
driver's side, RV6 on the passenger's side),
allowing uid to ow back to the reservoir.
4. Due to the small volume on the rod side of
the piston, uid is not replaced. This causes a
slight temporary vacuum in that circuit.

Table of Contents