EasyManua.ls Logo

SnowEx RDV V-Plow - Right (PS) Wing Extend

SnowEx RDV V-Plow
84 pages
Print Icon
To Next Page IconTo Next Page
To Next Page IconTo Next Page
To Previous Page IconTo Previous Page
To Previous Page IconTo Previous Page
Loading...
Lit. No. 30118, Rev. 00 June 15, 2020
47
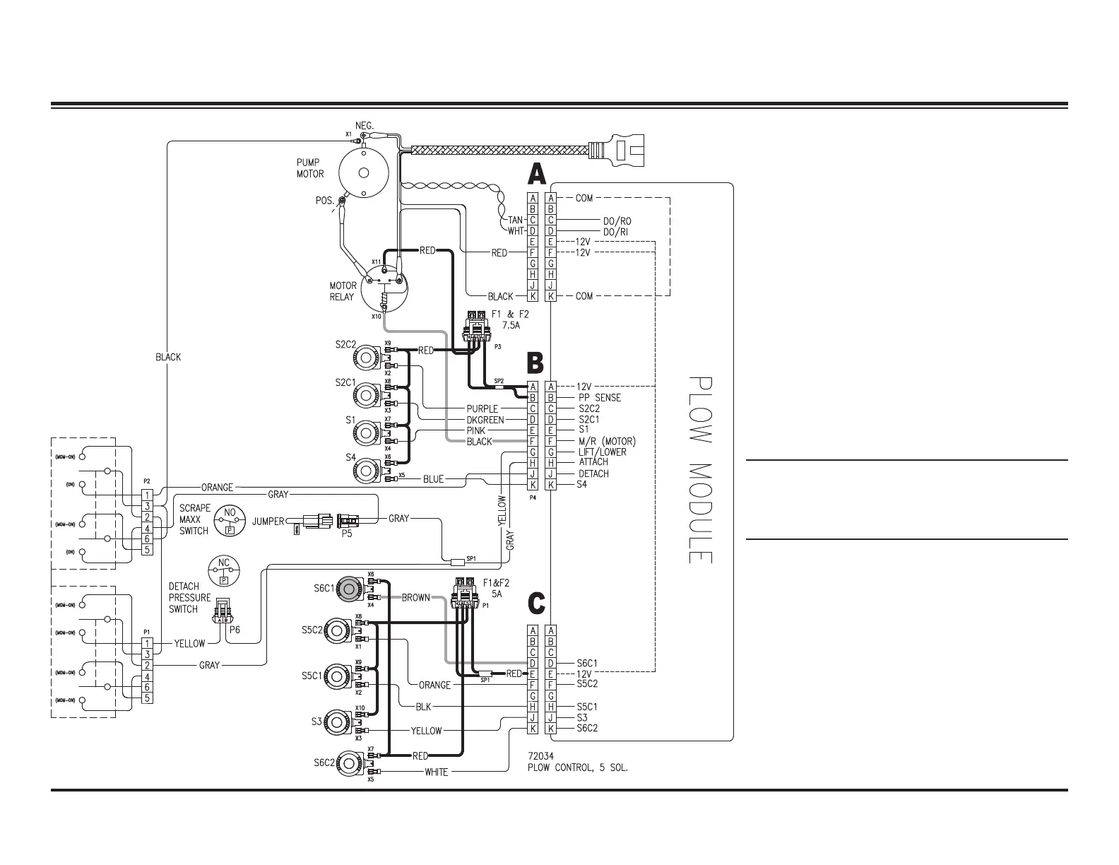
RIGHT (PS) WING EXTEND – ELECTRICAL
System Response
1. Verify that the POWER switch is in the plow
position.
2. By activating the Right Wing Extend function
on the cab control, the control sends a signal
to the plow module to complete the ground
path for the electrical circuit, activating the
motor relay and solenoid cartridge valve S6C1.
3. Hydraulic uid from the pump ows through
the activated S6C1 through the pilot operated
check valve PC2 into the base end of the
passenger side ram, causing it to extend.
4. The extending ram pushes hydraulic uid out
of the rod end and back through the activated
S6C1 to the reservoir.
NOTE: Battery voltage is supplied to the
plow module, motor relay and the 9 solenoid
coils when the snowplow is connected to the
vehicle.

Table of Contents