EasyManua.ls Logo

SnowEx RDV V-Plow - Hold in Raise Position

SnowEx RDV V-Plow
84 pages
Print Icon
To Next Page IconTo Next Page
To Next Page IconTo Next Page
To Previous Page IconTo Previous Page
To Previous Page IconTo Previous Page
Loading...
Lit. No. 30118, Rev. 00 June 15, 2020
55
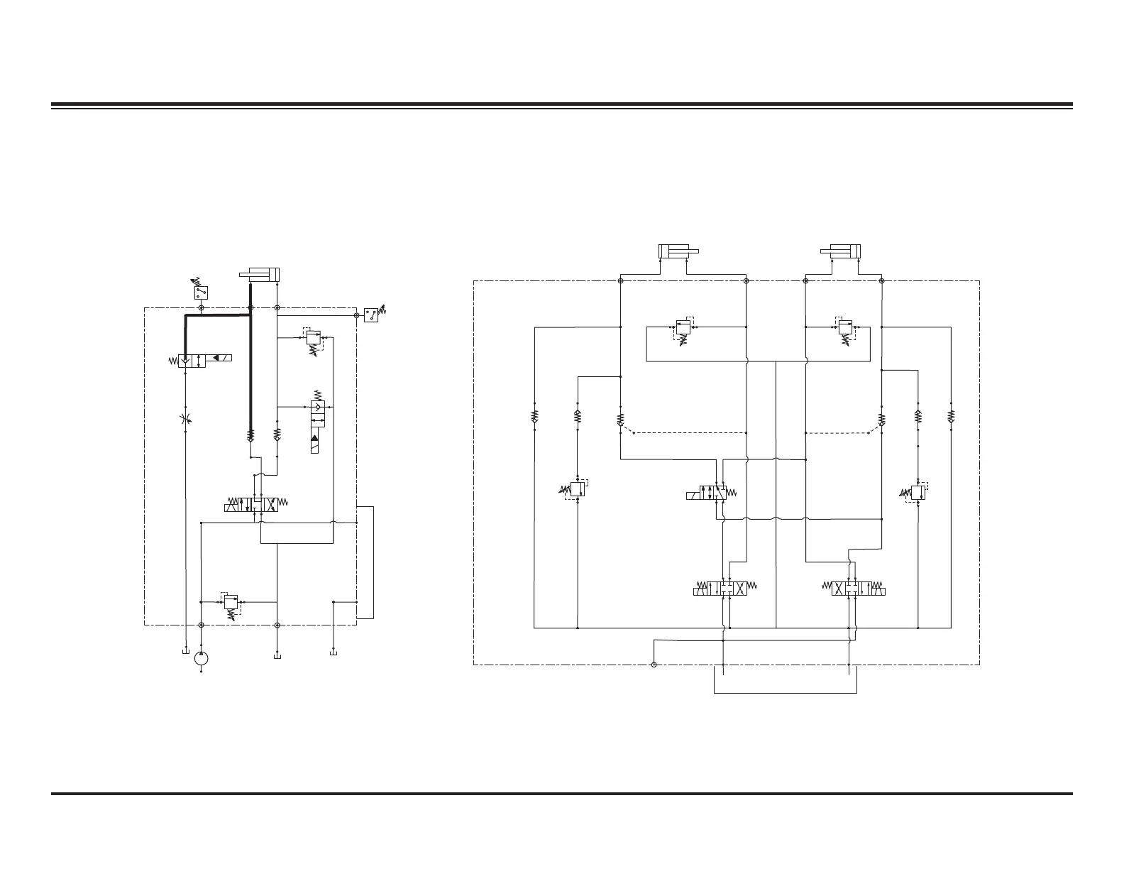
HOLD IN RAISE POSITION
System Response
Hydraulic uid is trapped in the rod end of the lift
ram by the solenoid cartridge valve S1 and check
valve CV6.
PRIMARY MANIFOLD
SECONDARY MANIFOLD
LIFT RAM
RAISE
LOWER
RV2
S4
RV1
LEFT BASE LEFT ROD
RV3
RV5
CV4 CV1
PC1
RV4
RV6
PC2
CV2 CV3
S3
SV5
S5C2 S5C1
S6
S6C1
S6C2
CV5
INTERFACE
INTERFACE
T
PUMP
TANK
S1
CV6
S2
SV4
RIGHT ROD RIGHT BASE

Table of Contents