EasyManua.ls Logo

SnowEx RDV V-Plow - Hydraulic Schematic - RDV V-Plow

SnowEx RDV V-Plow
84 pages
Print Icon
To Next Page IconTo Next Page
To Next Page IconTo Next Page
To Previous Page IconTo Previous Page
To Previous Page IconTo Previous Page
Loading...
Lit. No. 30118, Rev. 00 June 15, 2020
34
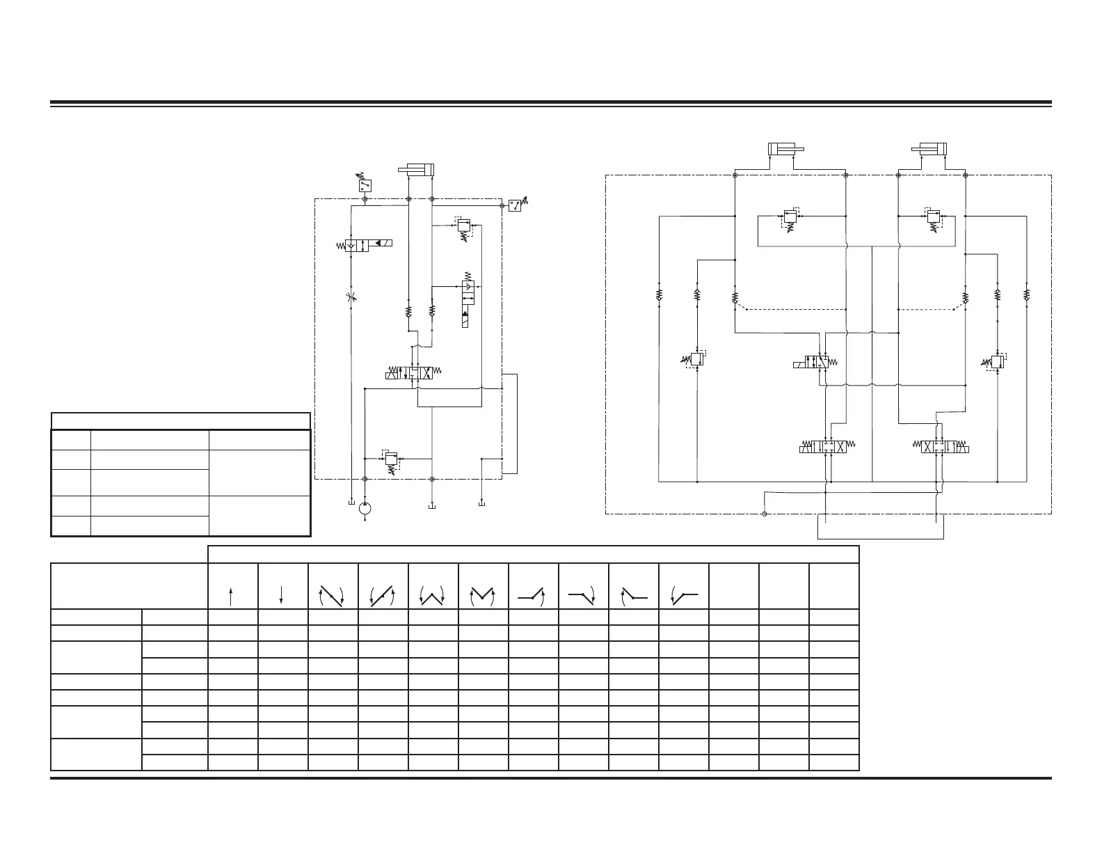
ELECTRICAL & HYDRAULIC SCHEMATICS
PRIMARY MANIFOLD
SECONDARY MANIFOLD
LIFT RAM
RAISE
LOWER
RV2
S4
RV1
LEFT BASE LEFT ROD
RV3
RV5
CV4 CV1
PC1
RV4
RV6
PC2
CV2 CV3
S3
SV5
S5C2 S5C1
S6
S6C1
S6C2
CV5
INTERFACE
INTERFACE
T
PUMP
TANK
S1
CV6
S2
SV4
RIGHT ROD RIGHT BASE
Hydraulic Schematic – RDV™ V-Plow
Blade Movement
Solenoid
ATTACH DETACH
Scrape
Maxx
FEATURE
(OPT)
Motor M ON ON ON ON ON ON ON ON ON ON ON ON
SV08-2211 S1 ON ON ON
SV08-47D
S2C1 ON ON
S2C2 ON
SV10-43 S3 ON ON
SV08-2211 S4 ON ON ON
SV08-47C
S5C1 ON ON ON
S5C2 ON ON ON
SV08-47C
S6C1 ON ON
S6C2 ON ON
VEE SCOOP EXTEND
LEFT
ANGLE
LEFT
ANGLE
RIGHT
RAISE LOWER
RIGHT
RETRACT
RIGHT
EXTEND
LEFT
RETRACT
Relief Valve Settings
RV1 Pump 2250 ± 100 psi
RV3 DS Ram Rod End
2200 ± 100 psi
RV4 PS Ram Rod End
RV5 DS Ram Base End
3400 ± 100 psi
RV6 PS Ram Base End

Table of Contents