EasyManua.ls Logo

SnowEx RDV V-Plow - Lower;Float

SnowEx RDV V-Plow
84 pages
Print Icon
To Next Page IconTo Next Page
To Next Page IconTo Next Page
To Previous Page IconTo Previous Page
To Previous Page IconTo Previous Page
Loading...
Lit. No. 30118, Rev. 00 June 15, 2020
37
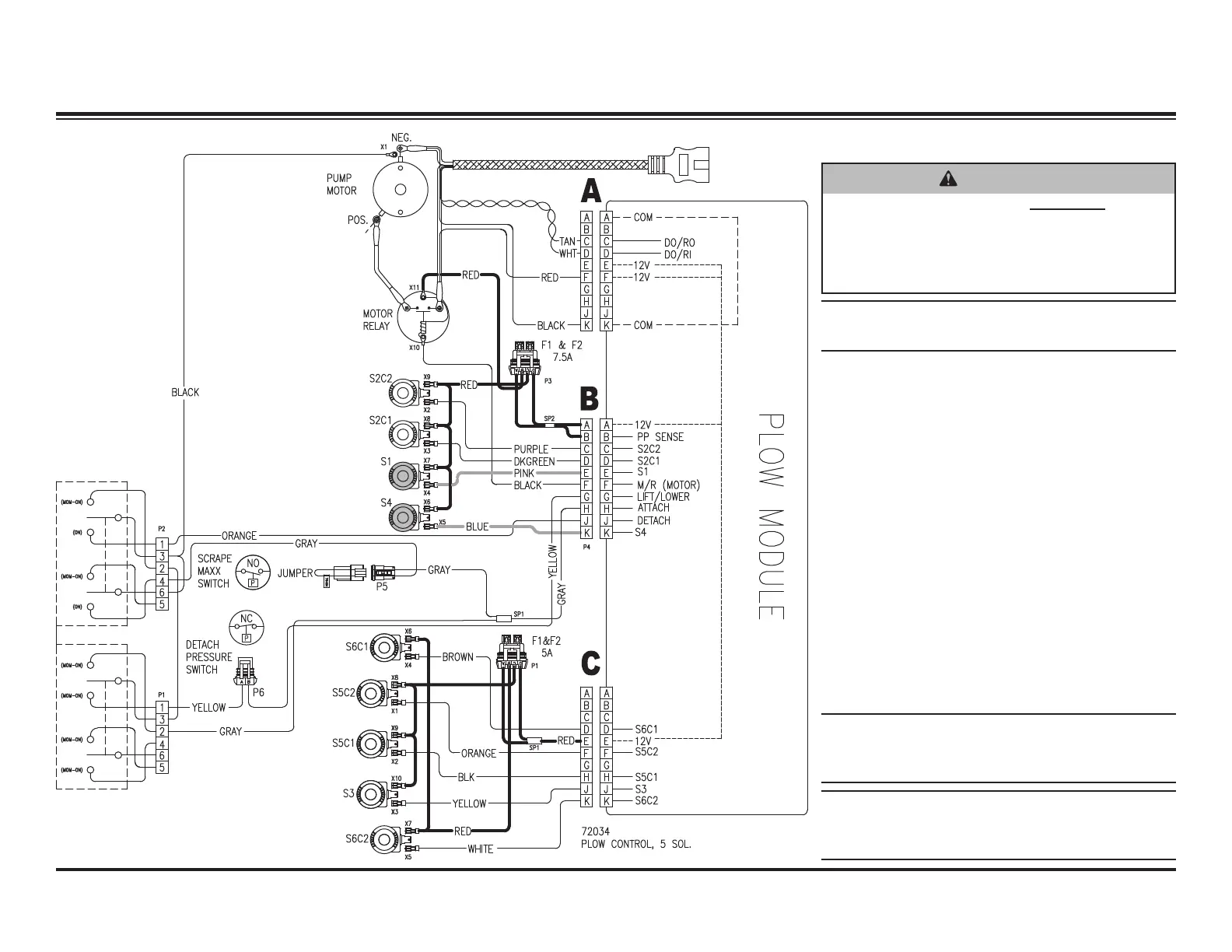
LOWER/FLOAT – ELECTRICAL
System Response
NOTE: For units with the accessory Scrape Maxx
down force kit, see that section below.
1. Verify that the POWER switch is in the plow
position.
2. By activating the LOWER function on the cab
control, the control sends a signal to the plow
module to complete the ground path for the
electrical circuit, activating solenoid cartridge
valves S1 and S4.
3. With the weight of the snowplow on the
rod end of the lift ram and the S1 cartridge
valve shifted, the lift ram extends. Hydraulic
uid is pushed out of the rod end through
the activated S1 through the quill, and then
returned to the reservoir. At the same time
uid is drawn from the reservoir through the
activated S4 into the base of the ram, S4 will
close after the lower button is released.
NOTE: When the FLOAT mode is active, the S1
cartridge stays open until the RAISE function is
activated.
NOTE: Battery voltage is supplied to the plow
module, motor relay and the 9 solenoid coils when
the snowplow is connected to the vehicle.
WARNING
If Scrape Maxx™feature is ENABLED and
vehicle key is ON, the hydraulic unit can
turn on temporarily without notice, if the
control has been placed in the LOWER
mode without any further control input.

Table of Contents