EasyManua.ls Logo

SnowEx RDV V-Plow - BUCKET BLADE (Vee)

SnowEx RDV V-Plow
84 pages
Print Icon
To Next Page IconTo Next Page
To Next Page IconTo Next Page
To Previous Page IconTo Previous Page
To Previous Page IconTo Previous Page
Loading...
Lit. No. 30118, Rev. 00 June 15, 2020
43
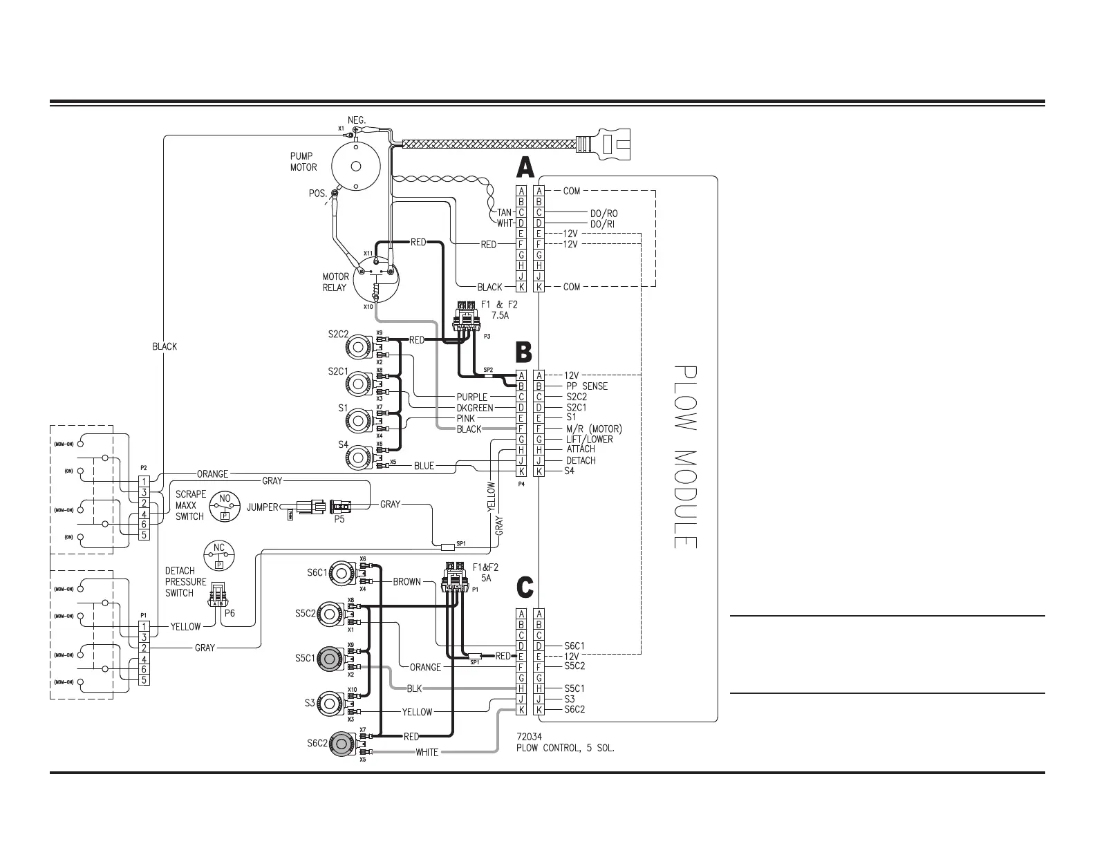
BUCKET BLADE™ (VEE) – ELECTRICAL
System Response
1. Verify that the POWER switch is in the plow
position.
2. By activating the BUCKET BLADE (Vee) function
on the cab control, the control sends a signal to
the plow module to complete the ground path for
the electrical circuit, activating the motor relay and
solenoid cartridge valves S5C1 and S6C2.
3. Hydraulic uid from the pump ows through the
activated S5C1 and S6C2 cartridge valves and
into the rod end of both the left (driver-side) and
the right (passenger-side) rams, causing the rams
to retract.
4. Pressure within the hydraulic circuit causes the
PC1 and PC2 pilot operated check valves to open.
5. The retracting driver-side ram pushes hydraulic
uid out the base end of the ram, through the
activated PC1, through the inactive S3, and back
through the activated S5C1 to the reservoir.
6. The retracting passenger-side ram pushes
hydraulic uid out the base end of the ram,
through the activated PC2, and back through the
activated S6C2 to the reservoir.
NOTE: Battery voltage is supplied to the
plow module, motor relay and the 9 solenoid
coils when the snowplow is connected to the
vehicle.

Table of Contents