EasyManua.ls Logo

SnowEx RDV V-Plow - Right (PS) Wing Retract

SnowEx RDV V-Plow
84 pages
Print Icon
To Next Page IconTo Next Page
To Next Page IconTo Next Page
To Previous Page IconTo Previous Page
To Previous Page IconTo Previous Page
Loading...
Lit. No. 30118, Rev. 00 June 15, 2020
49
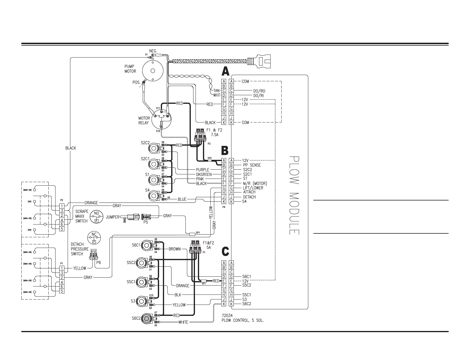
RIGHT (PS) WING RETRACT – ELECTRICAL
System Response
1. Verify that the POWER switch is in the plow
position.
2. By activating the Right Wing Retract function
on the cab control, the control sends a signal
to the plow module to complete the ground
path for the electrical circuit, activating the
motor relay and solenoid cartridge valve S6C2.
3. Pressure within the hydraulic circuit causes the
PC2 pilot operated check valve to open.
4. Hydraulic uid from the pump ows through
the activated S6C2 into the rod end of the
passenger-side ram, causing it to retract
hydraulic uid ows through the open pilot
operated check valve PC2 and back through
the activated S6C2 to the reservoir.
NOTE: Battery voltage is supplied to the
plow module, motor relay and the 9 solenoid
coils when the snowplow is connected to the
vehicle.

Table of Contents