EasyManua.ls Logo

SnowEx RDV V-Plow - Electrical Schematic - RDV V-Plow

SnowEx RDV V-Plow
84 pages
Print Icon
To Next Page IconTo Next Page
To Next Page IconTo Next Page
To Previous Page IconTo Previous Page
To Previous Page IconTo Previous Page
Loading...
Lit. No. 30118, Rev. 00 June 15, 2020
33
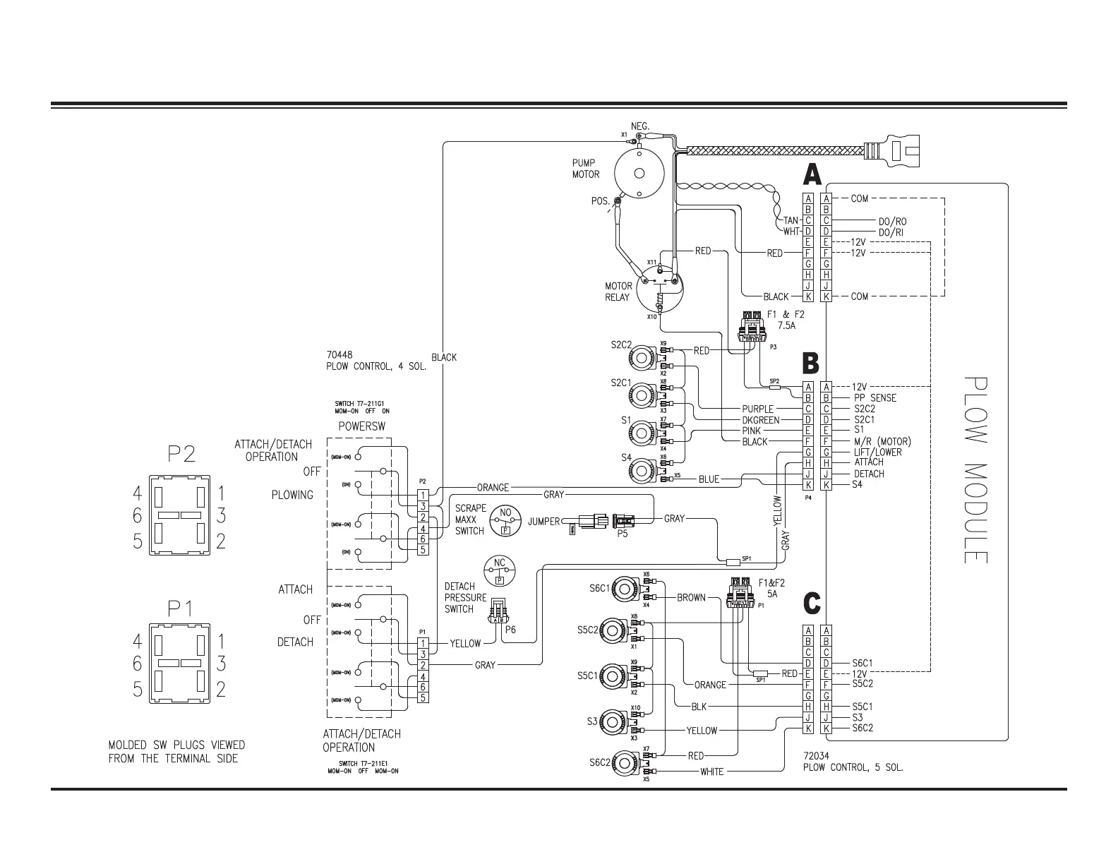
ELECTRICAL & HYDRAULIC SCHEMATICS
Electrical Schematic – RDV V-Plow

Table of Contents