EasyManua.ls Logo

SnowEx RDV V-Plow - Raise

SnowEx RDV V-Plow
84 pages
Print Icon
To Next Page IconTo Next Page
To Next Page IconTo Next Page
To Previous Page IconTo Previous Page
To Previous Page IconTo Previous Page
Loading...
Lit. No. 30118, Rev. 00 June 15, 2020
35
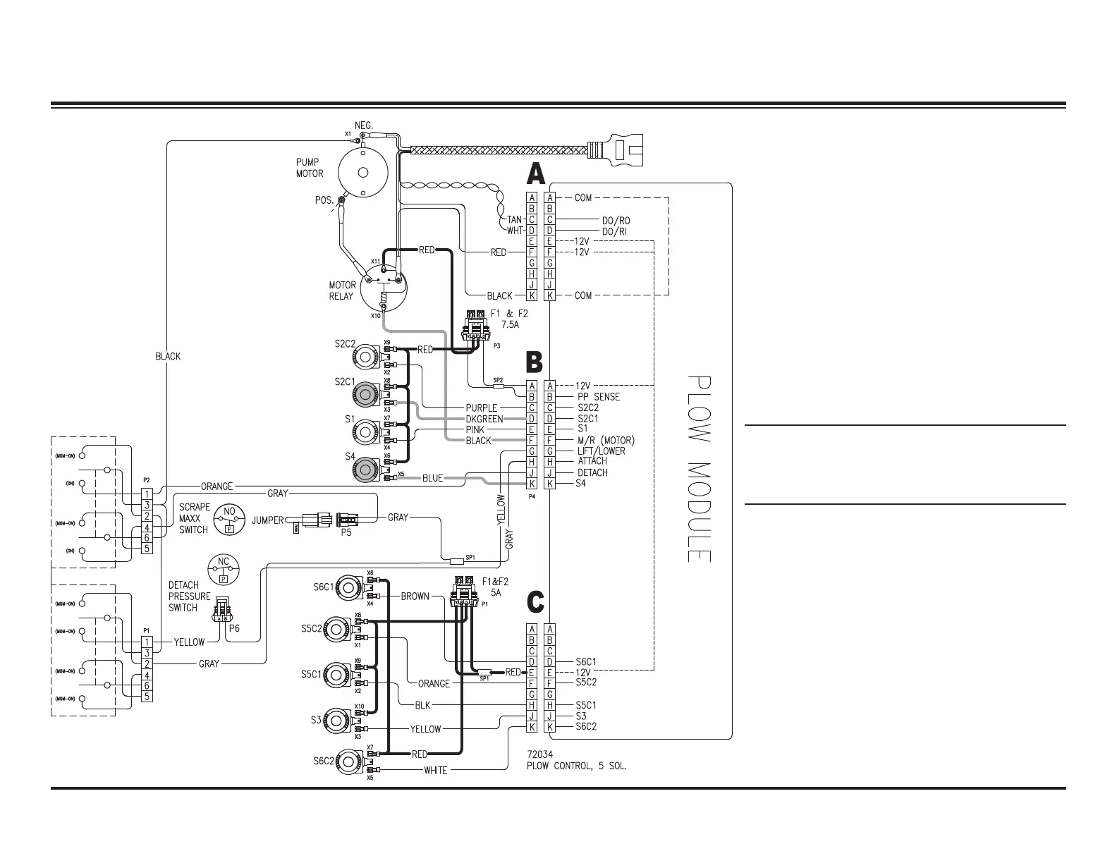
RAISE ELECTRICAL
System Response
1. Verify that the POWER switch is in the plow
position.
2. By activating the RAISE function on the cab
control, the control sends a signal to plow
module to complete the ground path for the
electrical circuit, activating the motor relay and
solenoid cartridge valves S2C1 and S4.
3. Hydraulic uid from the pump ows through
the activated S2C1, through CV6 and into the
rod end of the lift cylinder, causing the ram to
retract. At the same time uid is forced out of
the base of the ram, through the activated S4,
and returned to the reservoir.
NOTE: Battery voltage is supplied to the
plow module, motor relay and the 9 solenoid
coils when the snowplow is connected to the
vehicle.

Table of Contents